时间:2019-06-25 22:04:41
1、简答题 在一定条件下可实现下图所示物质之间的变化
请填写以下空白:
(1)写出明矾(KAl(SO4)2?12H2O)溶液中逐步加入NaOH溶液至过量的实验现象为______,反应的总离子方程式______;
(2)G物质的化学式为______;A和过量的F反应的离子方程式为______.
(3)图中所得G和D都为固体,其混合后在高温下可发生反应,写出该反应的化学方程式______;
(4)电解熔融的B是工业上生产某常用金属的方法,每生成1molD转移的电子数目为______.
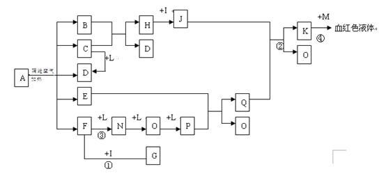
2、填空题 (14分)已知A为一无机盐,C
、D、F、N、O为无色气体,E常温常压下为无色无味的液体,N、H、L为高中常见的单质,I为常见无氧强酸,M的焰色反应为紫色,反应①常用于气体F的检验。
(1)写出G的电子式_______________,M的化学式_____________;
(2)写出反应②的离子反应方程式______________________________;
(3)写出反应③的化学反应方程式_____________;反应1-4中属于非氧化还原反应的是?;
(4)用石墨电极电解溶液K时,电解初始阶段电极反应方程式为:
阴极___________________
阳极___________________
(5)已知A在隔绝空气条件下分解产生的各产物的物质的量之比为B:C:D:E:F=1:2:2:2:2,写出A分解的反应方程式__________________________
3、填空题 (12分)A、B、D均为常见化合物,它们都由两种元素组成,C代表一类化合物;甲、乙、丙都是非金属单质。在一定条件下它们有如下转化关系:
试回答:
(1)单质乙、丙分别为?、?。
(2)化合物A电子式为?、化合物D形成的晶体属于?(填“原子晶体”、“分子晶体”或“离子晶体”)。
(3)单质甲和化合物C反应的化学方程式为?。
(4)化合物的B和化合物D反应的化学方程式为?。
4、推断题 A、B、C、D为中学化学中常见的四种气体单质,在一定条件下,B可以分别和A、C、D化合生成甲、乙、丙,C和D化合生成化合物丁。已知甲、乙、丙的每个分子中含有的电子数相等,并且甲、乙、丙、丁有如下图所示关系:
请填写下列空白:
(1)单质B的化学式是________,电子式为________________________。
(2)单质A与化合物乙发生的化学方程式是_________________________。
(3)试根据化合物丙、丁中D元素的化合价,判断丙和丁能否在一定条件下发生化学反应生成D的单质。若认为能反应,写出反应的化学方程式,若认为不能反应,简要说明理由。___________,理由或反应方程式为____________________________。
5、填空题 (12分)下图是一些常见的单质和化合物之间的转化关系图,有些反应中的部分物质被略去。常温常压下.A为无色有毒气体,B为红棕色粉末,C、E为金属单质。反应①②均为工业上的重要反应。
请回答下列问题:
(1)写出下列物质的化学式:B______I______J______。
⑵在G、H、K的水溶液中,呈酸性的是______ (填化学式,下同);在C、D、L中.属于两性化合物的是____________。
(3)写出向K溶液中通人过量D时发生反应的离子方程式: ____________。
(4)写出向H溶液中通人SO2时发生反应的离子方程式: ____________。