时间:2017-11-11 01:35:48
1、填空题 (8分)下图是无机物A~M在一定条件下的转化关系(部分产物及反应条件未列出)。其中,I是由第三周期元素组成的单质中熔点最高的金属, K是一种红棕色气体。
请填写下列空白:
(1)在周期表中,组成单质G的元素位于第__________周期_________族。
(2)在反应⑦中氧化剂与还原剂的物质的量之比为?。
(3)在反应②、③、⑥、⑨中,既属于化合反应又属于非氧化还原反应的是?。(填写序号)
(4)反应④的离子方程式是:??。
(5)将化合物D与KNO3、KOH共融,可制得一种“绿色”环保高效净水剂K2FeO4(高铁酸钾),同时还生成KNO2和H2O。该反应的化学方程式是:?。
2、选择题 已知G是一种具有和卤素单质相似的直线型分子,J是一种角型分子,G和J按物质的量之比1:1反应后生成直线型分子L和分子M(组成G、J、L、M的原子序数均小于10)。分析图示,指出下列判断中错误的选项是
[? ]
A.L的水溶液呈酸性,与等物质的量的NaOH溶液反应后的溶液呈中性
B.组成G的两种元素中,一种元素能与J中的两种元素分别形成直线型分子
C.常温下J为液态,能与某种活泼非金属单质反应,产生具有氧化性的单质气体
D.M可能是一种不稳定的弱酸性物质
3、填空题 (5分)元素X、Y、Z、W均为短周期元素,且原子序数依次增大。已知Y原子最外层电子数占核外电子总数的 3/4 ,W-、Z+、X+的离子半径逐渐减小,化合物XW常温下为气体,Z是本周期中除稀有气体元素外,原子半径最大的元素。据此回答下列问题:
(1)W在元素周期表中的位置?,实验室制取W单质的离子方程式是?;
(2)A、B均由上述四种元素中的三种组成的强电解质,A是一种强碱,B是某种家用消毒液的有效成分,则A、B的化学式分别为?、?;
(3)C是由Y和Z两种元素组成的一种化合物,其中Y和Z的原子个数比为1∶1,则C的电子式是?;
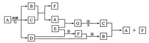
4、填空题 (6分)已知C为贵重金属单质,下图中所有物质除C外含有的元素都是短周期元素,其中部分反应物或生成物省略,X是室内装潢材料中产生的主要有害气体之一,G是一种强碱。
?
回答下列问题:
(1)写出下列物质的化学式:B?、C?、G?;(3分)
(2)写出反应④的化学方程式?。(1分)
(3)写出反应②的离子方程式:?。(1分)
(4)用惰性电极电解A溶液,生成4.32gC的同时析出气体在标准状况下的体积是?升。(1分)
5、简答题 金属单质A、B、C和气体甲、乙、丙及物质D、E、F、G,它们都是中学阶段常见的化学物质,它们之间存在下图所示的转化关系(图中有些反应的产物和反应的条件没有全部标出):
请根据以上信息回答下列问题:
(1)写出下列物质的化学式:丙______,G______.
(2)反应③的化学方程式为______.
(3)反应⑤的离子方程式为______.