时间:2017-09-25 18:49:07
1、选择题 用惰性电极电解未精制的饱和食盐水(其中含有Ca2+、Mg2+、
),食盐水装在U形管中,结果很快在某一电极附近出现食盐水浑浊的现象。造成浑浊的难溶物主要是…(? )
A.碳酸钙和碳酸镁
B.氢氧化镁
C.碳酸钙
D.碳酸钙和氢氧化镁
2、选择题 以石墨做电极,电解1 mol/L下列物质的水溶液,下列表述正确的是
A.若为盐酸,pH减小
B.若为氢氧化钠溶液,pH减小
C.若为硫酸钠溶液,pH不变
D.若为氯化钠溶液,pH不变
3、选择题 用铂作电极电解500mL含KNO3和Cu(NO3)2的混合溶液一段时间后,在两极均生成11.2L标准状况下的气体,原溶液中Cu2+的物质的量浓度为( )
A.0.5?mol/L
B.2?mol/L
C.1?mol/L
D.无法确定
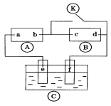
4、选择题 下图
为直流电源,
为浸透饱和氯化钠溶液和酚酞试液的滤纸,
为电镀槽.接通电路后发现
上的c点显红色。为实现铁上镀铜,接通
后,使c、d两点短路。下列叙述正确的是( )
A.a为直流电源的负极
B.f电极为铁件
C.c极发生的反应为O2+4e-+2H2O=4OH-
D.电解质溶液不能用CuCl2溶液
5、选择题 惰性电极电解饱和食盐水,当溶液中有1mol NaOH生成时,则下列说法不正确的是
A.阴极析出氢气
B.标准状况下,阴极产生的气体为11.2L
C.阳极的电极反应式:2H2O + 2e- = 2OH-+ H2↑
D.电路中有1mol电子通过