时间:2017-08-09 08:45:57
1、选择题 有三个用电器,分别为洗衣机、电烙铁和电风扇,它们的额定电压和额定功率均为“220V,60W”.现让它们在额定电压下工作相同时间,产生的热量( )
A.洗衣机最多
B.电烙铁最多
C.电风扇最多
D.一样多
2、计算题 (09年北京卷23).单位时间内流过管道横截面的液体体积叫做液体的体积流量(以下简称流量)。由一种利用电磁原理测量非磁性导电液体(如自来水、啤酒等)流量的装置,称为电磁流量计。它主要由将流量转换为电压信号的传感器和显示仪表两部分组成。
传感器的结构如图所示,圆筒形测量管内壁绝缘,其上装有一对电极
和c,a,c间的距离等于测量管内径D,测量管的轴线与a、c的连接放像以及通过电线圈产生的磁场方向三者相互垂直。当导电液体流过测量管时,在电极a、c的间出现感应电动势E,并通过与电极连接的仪表显示出液体流量Q。设磁场均匀恒定,磁感应强度为B。
(1)已知
,设液体在测量管内各处流速相同,试求E的大小(
去3.0)
(2)一新建供水站安装了电磁流量计,在向外供水时流量本应显示为正值。但实际显示却为负值。经检查,原因是误将测量管接反了,既液体由测量管出水口流入,从如水口流出。因为已加压充满管道。不便再将测量管拆下重装,请你提出使显示仪表的流量指示变为正直的简便方法;
(3)显示仪表相当于传感器的负载电阻,其阻值记为
?a、c间导电液体的电阻r随液体电阻率色变化而变化,从而会影响显示仪表的示数。试以E、R。r为参量,给出电极a、c间输出电压U的表达式,并说明怎样可以降低液体电阻率变化对显示仪表示数的影响。
3、计算题 如图所示为一个小型旋转电枢式交流发电机的原理图,其矩形线圈的长度ab=0.25 m,宽度bc=0.20 m,共有n=100匝,总电阻r=1.0 Ω,可绕与磁场方向垂直的对称轴OO′转动.线圈处于磁感应强度B=
?T的匀强磁场中,与线圈两端相连的金属滑环上接一个额定电压为3.0 V的灯泡。当线圈以角速度7.2rad/s匀速转动时,小灯泡恰好能正常发光。求:
(1)线圈转动时产生的感应电动势的最大值
(2)小灯泡的额定功率
(3)线圈以上述角速度转动一周过程中发电机产生的电能
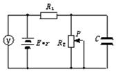
4、选择题 如图所示,当电路里滑动变阻器R2的滑动触头P向下滑动时(?)
A.电容器C两极板间的电场强度增大
B.电压表的读数减小?
C.R1消耗的功率减小
D.R2消耗的功率增大
5、计算题 如400W)每天平均工作1h。这些用电器一个月的耗电量是多少?若每kw.h电费为0.6元,每果家里的电视机(100W)、和洗衣机(月应缴多少电费?(每月按30天算)。