时间:2017-08-09 08:38:40
1、选择题 如图为某两个电阻的U-I图象,则R1:R2,把两电阻串联后接入电路,则消耗功率P1:P2,并联后接入电路,消耗功率之比
,分别为
[? ]
A、2∶1,2∶1,1∶2
B、2∶1,1∶2,2∶1
C、1∶2,1∶2,2∶1
D、1∶2,2∶1,1∶2
参考答案:A
本题解析:
本题难度:简单
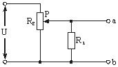
2、选择题 如图所示的电路中,U="120" V,滑动变阻器R2的最大值为 200Ω,R1=100Ω。当滑片P滑至R2的中点时,a、b两端的电压为(?)
A.60 V
B.40 V
C.80 V
D.120V
参考答案:B
本题解析:作等效电路图,如下图,a、b两端的电压为R1两端的电压
电路的总电阻
,总电流
,所以
.
本题难度:一般
3、选择题 如图所示,有三个电阻,已知R1:R2:R3=1:3:6, 则电路工作时,电压U1:U2为(?)
A.1:6
B.1:9
C.1:3
D.1:2
参考答案:D
本题解析:由图可知
与
并联再与
串联,
为
两端电压,
为并联部分电压,由串联电路电压分配规律有
故选D
点评:注意串联电路中,电流处处相等;并联电路中,各支路电流之和等于干路电流;串联电路的电压特点和并联电路的电压特点,串联分压,并联的各支路电压相同。
本题难度:一般
4、实验题 把一个満偏电流I
=1mA、线圈电阻R
=1k
的小量程电流表,改装成量程U=10V的电压表,需串联的分压电阻为?;改装成量程10mA的电流表,需并联的分流电阻为?。
参考答案:9000
? 111.1
本题解析:改装成电压表,需要串联的电阻大小为
改装成电流表,需要并联的电阻大小为
本题难度:简单
5、选择题 三个电阻的阻值之比
,若将这三个电阻并联,则通过它们的电流之
比
为(?)
A.1:2:5
B.5:2:1
C.10:5:2
D.1:1:1
参考答案:C
本题解析:并联电路电压相等,设为U,因为
,设
,则
,所以并联后,通过它们的电流比为
,C正确,
点评:做本题的关键是明白并联电路的特点:各支路路端电压相等
本题难度:简单