时间:2017-08-09 08:15:26
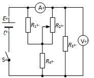
1、选择题 如图所示电路中,电源内电阻为r,R1、R3、R4均为定值电阻,电表均为理想电表。闭合电键S,将滑动变阻器R2的滑片向上滑动,电流表和电压表示数变化量的大小分别为DI、DU,下列结论中正确的是(?)
参考答案:(1)B?(2)I=
?(3)R=
.
本题解析:据题意可得kv=eE,其中E=U/l,因此v=eU/lk.选顶B正确.据电流微观表达式I=neSv,可得I=
,
再由欧姆定律可知R=
.
本题难度:简单
3、选择题 在如图所示的电路中,Rt为半导体热敏电阻,闭合开关,灯泡L1、L2、L3的亮度相同.当Rt处的温度升高时,小灯泡的亮度变化情况是
A.L1变亮,L2变暗,L3变亮
B.L1变暗,L2变亮,L3变暗
C.L1、L2变亮, L3变暗
D.L1、L2变暗, L3变亮
参考答案:A
本题解析:当Rt处的温度升高时,半导体热敏电阻降低,总电阻减小,总电流变大,灯L1变亮,外电压减小,灯L1两端电压变大,则L2两端电压减小,流过灯L2的电流减小,灯L2变暗,由于总电流变大,则灯L3的电流变大,灯L3变亮,A正确。
本题难度:简单
4、计算题
如图所示为某同学实验得到的小灯泡灯丝电阻的U—I关系曲线图。
(1)请画出实验电路图(根据该电路图可得到U—I关系的完整曲线),可用的器材有:电压表、电流表、滑线变阻器(变化范围0~50Ω)、电动势为6V的电源(不计内阻)、小灯泡、电键、导线若干。
(2)如果将该小灯泡分别接入甲、乙两个不同电路,如图所示,其中甲电路的电源为一节干电池,乙电路的电源为三节干电池,每节干电池的电动势为1. 5 V,内电阻为1. 5Ω,定值电阻R=18Ω,在电路甲中,小灯泡消耗的电功率为?W,在电路乙中,小灯泡消耗的电功率为?W。则接入?(选填“甲”或“乙”)电路时,小灯泡较亮些。
(3)若将电路乙中的电阻R替换为另一个完全相同的小灯泡,其他条件不变,则此时电源内部的发热功率为?W。
?
参考答案:(1)如图所示(外接法、分压电路);(2)0.22;0. 16;甲(3)0.27 (0.25~0. 30间都给分)。
本题解析:
本题难度:一般
5、选择题 如图所示,带有活塞的气缸中封闭一定质量的气体(不考虑分子势能).将一个热敏电阻(电阻值随温度升高而减小)置于气缸中,热敏电阻与气缸外的欧姆表连接,气缸和活塞均具有良好的绝热性能.下列说法正确的是( )
A.若发现欧姆表读数变大,则气缸内气体压强一定减小
B.若发现欧姆表读数变大,则气缸内气体内能一定减小
C.若拉动活塞使气缸内气体体积增大,则欧姆表读数将变小
D.若拉动活塞使气缸内气体体积增大,则需加一定的力,说明气体分子间有引力
参考答案:A、发现欧姆表读数变大时,热敏电阻变大,说明热敏电阻的温度降低,则气体内能减小,而气缸内封闭气体的压强等于大气压与活塞重力产生的压强之和,保持不变,故AB错误;
C、若拉动活塞使气缸内气体体积增大,压强不变,则温度升高,电阻减小,所以则欧姆表示数将变小,故C正确;
D、气体分子间的距离已经超过分子间作用力所研究的范围,所以不能说明分子间有引力,只能说明气缸内外的压强不一样,故D错误.
故选C
本题解析:
本题难度:一般