时间:2017-08-09 07:51:22
1、选择题 如图1所示电路中,S是闭合的,此时流过L的电流为i1,流过灯A的电流为i2,且i1<i2.在t1时刻将S断开,那么通过灯泡的电流随时间变化的图象是图2中的

参考答案:D
本题解析:在开关断开之前,通电灯泡的电流为恒定电流,在断开开关后的短时间内,因线圈自感作用,线圈中的电流逐渐减小,且与小灯泡构成通路,对灯泡来说,其电流方向与原来相反,结合选项可知,只有D项正确;其它选项均错误;
本题难度:一般
2、选择题 如图所示,A、B是两个相同的小灯泡,L是一个自感系数相当大的线圈,线圈直流电阻与定值电阻R的阻值相同。关于这个电路的以下说法正确的是
[? ]
A.开关S闭合时瞬间,A、B两灯度相同
B.开关S闭合,B灯比A灯先亮
C.开关S闭合,电路达到稳定后,断开开关S时,A、B两灯同时熄灭
D.开关S闭合,电路达到稳定后,断开开关S时, B灯立即熄灭,A灯稍迟熄灭
参考答案:D
本题解析:
本题难度:一般
3、选择题 下列实验或器件应用自感现象的是( )
A.
电磁感应实验
B.
日光灯电路
C.
直流电动机
D.
电磁灶
参考答案:A、电磁感应实验是应用了法拉第电磁感应现象,A错误;
B、当开关接通220伏的电压立即使启辉器的惰性气体电离,产生辉光放电.辉光放电的热量使双金属片受热膨胀,两极接触.电流通过镇流器、启辉器触极和两端灯丝构成通路.灯丝很快被电流加热,发射出大量电子.双金属片自动复位,两极断开.在两极断开的瞬间,电路电流突然切断,镇流器产生很大的自感电动势,与电源电压叠加后作用于管两端.应用了自感现象,B正确;
C、电动机的原理是通电导体在磁场中受力或通电线圈在磁场中受力转动,C错误;
D、电磁灶是利用电磁感应原理制成的;产生热量的原因是利用交变电流产生 交变磁场,使放在灶台上的锅体内产生的涡流而将电磁能转化为热量,D错误;
故选:B
本题解析:
本题难度:简单
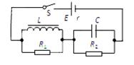
4、选择题 如图所示,E、r为电源的电动势、内阻,R1(与线圈并联)、R2(与电容并联)为定值电阻,线圈L的直流电阻不计,C为电容器。下列说法中正确的是(? )
A.合上开关S的瞬间,R1中无电流
B.合上开关S稳定后,R2中无电流
C.合上开关S稳定后,断开S的瞬间,R1中电流方向向右
D.合上开关S稳定后,断开S的瞬间,R2中电流方向向右
参考答案:D
本题解析:合上开关s的瞬间,线圈L会产生阻抗,所以电流从
中通过。在开关闭合的一瞬间,电容器被击穿,电流从电容器通过,
中有电流,所以AB错误。合上开关S稳定后,断开S的瞬间,线圈L中电流减小,产生感应电流,方向与原电流方向相同,所以
电流方向应该向左,断开S的瞬间,电容器放电,左端为正极,所以
中的电流方向向右,故C错误D正确。
本题难度:简单
5、选择题 如图所示电路中,L为电感线圈,电阻不计,A、B为两灯泡,则( )
A.合上S时,A先亮,B后亮
B.合上S时,A、B同时亮
C.断开S时,A、B同时熄灭
D.断开S时,A立即熄灭,B先闪亮、后熄灭
参考答案:A、B、合上S时,电路中立即建立了电场,故立即就有了电流,故灯泡A、B同时变量;但通过线圈的电流要增加,会产生自感电动势,电流缓慢增加;当电流稳定后,线圈相当于直导线,灯泡B被短路,故电键闭合后,A、B同时亮,但B逐渐熄灭,A更亮,故A错误,B正确;
C、D、断开S时,A灯立即熄灭;线圈产生自感电动势,和灯泡B构成闭合电路,B灯先闪亮后逐渐变暗;故C错误,D正确;
故选BD.
本题解析:
本题难度:简单