高考物理答题模板《电功率和电功》答题技巧(2017年最新版)(八)

时间:2017-08-09 07:47:22

微信搜索关注"91考试网"公众号,领30元,获取事业编教师公务员等考试资料40G

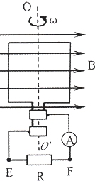
1、选择题  如图所示,矩形线框绕与匀强磁场垂直的轴OO′按图示的方向以角速度ω匀速转动,线框的匝数为n、面积为S、电阻为r,磁感应强度大小为B,方向水平向右.线框的输出端与两个金属滑环相连,阻值为R的定值电阻、理想的交流电流表处通过电刷和导线与滑环连接.当线框转到与磁场平行时,开始计时,规定从F通过电阻R到E为电流的正方向,下列说法正确的是(  )
A.通过电阻R电流的瞬时值表达式为i=

nBwS
R+r
coswt
B.通过电阻R电流的瞬时值表达式为i=
nBwS
R+r
sinwt
C.电流表的示数为
nBwS
R+r

D.电阻R上消耗的电功率为
n2B2S2w2
2R
91考试网


参考答案:交流电电动势的瞬时值表达式E=nBScosωt,所以通过电阻R电流的瞬时值表达式为i=nBwSR+rcoswt,A正确B错误;
电流表显示的是有效值,为I=nBωS


本题解析:


本题难度:一般



2、选择题  如图所示电路,电源电动势为E、内阻为r,接通电路后A、B、C三盏小灯都达到一定的亮度(但均未达到额定功率),当滑动变阻器的滑动头P向左滑动时,则(   )

A.A灯变亮,B灯变暗
B.A灯和B灯都变暗
C.C灯和B灯都变亮
D.C灯变暗,A灯变亮


参考答案:C


本题解析:当滑动变阻器的滑动头P向左滑动时,滑动变阻器连入电路的电阻增大,根据”并同串反”:A与R等效串联,A变暗;B与R并联,B灯变亮;C与R等效并联,C变亮,C正确.
考点:本题考查闭合电路的动态分析.


本题难度:一般



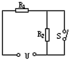
3、计算题  在如图所示的电路中,电源电压U恒定不变,当S闭合时电阻R1消耗的电功率为9W,当S断开时电阻R1消耗的电功率为4W,求:   
(1)电阻R1与R2的比值是多大?  
(2)S断开时,电阻R2消耗的电功率是多少?


参考答案:

解:(1)当S闭合时,R1消耗的电功率为P1
P1=
当S断开时,通过R1的电流为I    
I=
R1消耗的电功率为P1′
P1′=I2R1 ③
联立①②③式代入数据得=2 ④
(2)当S断开时,R1与R2串联,流过的电流相等,R2消耗的电功率为P2   
P2=I2R2 ⑤
联立③④⑤得P2=2W


本题解析:


本题难度:一般



4、选择题  如图所示,长方体发电导管的前后两个侧面是绝缘体,上下两个侧面是电阻可忽略的导体电极,两极间距为d,极板面积为S,这两个电极与可变电阻R相连。在垂直前后侧面的方向上,有一匀强磁场,磁感应强度大小为B。发电导管内有电阻率为ρ的高温电离气体,气体以速度v向右流动,并通过专用管道导出。由于运动的电离气体受到磁场的作用,将产生大小不变的电动势。若不计气体流动时的阻力,由以上条件可推导出可变电阻消耗的电功率。调节可变电阻的阻值,根据上面的公式或你所学过的物理知识,可求得可变电阻R消耗电功率的最大值为

[? ]
A.
B.
C.
D.


参考答案:B


本题解析:


本题难度:一般



5、选择题  关于场强和电势的下列说法中正确的是
A.在电场中a、b两点间移动电荷的过程中,电场力始终不做功,则电荷经过的路径上各点的场强一定为零
B.电场强度越大的地方电势越高
C.两个等量同种电荷的电场中,从两电荷连线的中点沿连线的中垂线向外,电势越来越低,场强越来越小
D.两个等量异种电荷的电场中,两电荷连线的中垂线上各点的电势均相等,且连线的中点场强最大,沿中垂线向外,场强越来越小


参考答案:D


本题解析:


本题难度:一般




首页 上页 7 8 9 下页 尾页 8/10/10
微信搜索关注"91考试网"公众号,领30元,获取公务员事业编教师考试资料40G
【省市县地区导航】【考试题库导航】
 ★ 高考省级导航 ★ 
全国 A安徽 B北京 C重庆 F福建 G广东 广西 甘肃 贵州 H河南 河北 湖南 湖北 黑龙江 海南 J江苏 江西 吉林 L辽宁 N内蒙古 宁夏 Q青海 S山东 山西 陕西 四川 上海 T天津 X新疆 西藏 Y云南 Z浙江
 ★ 高考信息汇总 ★ 
 ★ 高考历年真题 ★ 
 ★ 高考历年真题 ★ 
 ★ 高考题库 ★ 
 ★ 高考题库 ★ 

电脑版  |  手机版  |  返回顶部