时间:2017-08-08 09:05:15
1、选择题 如图所示,在xOy直角坐标系中的第二象限有垂直坐标平面向里的匀强磁场,第四象限有垂直坐标平面向外的匀强磁场,磁感应强度的大小均为B.直角扇形导线框半径为L、总电阻为R,在坐标平面内绕坐标原点O以角速度ω匀速转动.线框从图中所示位置开始转动一周的过程中,线框内感应电流的有效值是( )
A.I=
| BL2ω R |
| BL2ω 2R |
| BLω R |

参考答案:线框从图示的位置开始运动(假设是顺时针)上边切割磁感线,产生的电动势:E=12BL2ω,14周期后上边从磁场中出来,下边切割磁感线,电动势仍然是E=12BL2ω,
但此时的电流的方向与开始时相反;再经过14周期后线框进入第四象限的磁场,经过14周期又从磁场中出来,电动势都是E=12BL2ω.所以在一个周期中,线框内产生的电动势大小始终是E=12BL2ω,所以感应电流的大小始终是:I=ER=BL2ω2R.所以线框从图中所示位置开始转动一周的过程中,线框内感应电流的有效值I=BL2ω2R.
因此正确的答案为:B
故选:B
本题解析:
本题难度:一般
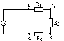
2、选择题 如图所示是一电路板的示意图,a、b、c、d为接线柱,a、d与220V的交流电源连接,ab间、bc间、cd间分别连接一个电阻.发现电路中没有电流,为检查电路故障,用一交流电压表分别测得b、d两点间以及a、c两点间的电压均为220V,由此可知( )
A.ab间电路通,cd间电路不通
B.ab间电路不通,bc间电路通
C.ab间电路通,bc间电路不通
D.bc间电路不通,cd间电路通
参考答案:用电压表测得a、c两点间的电压为220V,说明c、d间是连通的;用电压表测得b、d两点间的电压为220V,说明a、b间是连通的,综合两次的测量结果可以看出,只有当b、c间不通时,才会出现上述情况.因此CD正确.
故选CD.
本题解析:
本题难度:一般
3、选择题 在如图所示的电路中,当变阻器R3的滑动头P由a端向b端移动时

[? ]
参考答案:B
本题解析:
本题难度:一般
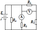
4、选择题 如图所示,R1,R2为可调电阻,R3为一般电阻,R4为热敏电阻。当环境温度升高时,下列说法中正确的是
[? ]
A.电容器所带电量减小
B.若R1的阻值减小,电容器的带电量可能保持不变
C.若R2的阻值增大,电容器的带电量可能保持不变
D.若R2的阻值减小,电流表的示数可能保持不变
参考答案:D
本题解析:
本题难度:一般
5、选择题 如图,电源内阻不能忽略,电流表和电压表均为理想电表,下列说法中正确的是( )
A.若R1断路,电流表示数变小,电压表示数为零
B.若R2短路,电流表示数变小,电压表示 数变大
C.若R3断路,电流表示数为零,电压表示数变小
D.若R4断路,电流表示数变小,电压表示数变大
参考答案:A、若R1断路,外电阻增大,路端电压增大,则电流表示数变大.故A错误.
B、若R2短路,外电阻减小,路端电压减小,通过R3的电流减小,则电流表示数变小,设电阻R1和R3的总电流为I13,总电流增大,通过R4的电流减小,则I13增大,而通过R3的电流减小,故通过R1的电流增大,电压表示数变大.故B正确.
C、若R3断路,电流表示数为零,外电阻增大,路端电压增大,则电压表读数变大.故C错误.
D、若R4断路,外电阻增大,路端电压增大,则电流表和电压表读数均增大.故D错误.
故选B
本题解析:
本题难度:简单