时间:2017-08-08 08:15:16
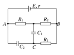
1、计算题 (14分)如图12所示,电源电动势E=12 V,内阻r=1 Ω,电阻R1=3 Ω,R2=2 Ω,R3=5 Ω,电容器的电容C1=4 μF,C2=1 μF,求C1、C2所带电荷量.
参考答案:1.6×10-5 C 10-5 C
本题解析:根据闭合电路欧姆定律,
I=
=
?A=2 A,
U1=IR1=6 V,U2=IR2=4 V
UC1=U2=4 V,UC2=U1+U2=10 V
根据Q=CU
Q1=C1UC1=4×10-6×4 C=1.6×10-5 C
Q2=C2UC2=1×10-6×10 C=10-5 C.
本题难度:简单
2、选择题 有一横截面积为S的铜导线,流径其中的电流强度为I,设每单位体积的导线中有n个自由电子,电子的电量为e,此时电子的定向移动速度为v,在△t时间内,通过导线的横截面积的自由电子数目可表示为( ? )
A.nv△t
B.I△t/e
C.nvs/△t
D.I△t/se
参考答案:B
本题解析:
本题难度:一般
3、选择题 如图所示电路中,当滑动变阻器R2的滑动触头向a端滑动时
A.电压表V的示数将变小
B.R1消耗的功率将减小
C.电源功率将减小
D.电容器C所带的电量增大
参考答案:A
本题解析:考点:
专题:恒定电流专题.
分析:当滑动变阻器R2的滑片向a端滑动时,R2减小,外电路总电阻减小,总电流增大,分析路端电压的变化和电容器电压变化,再分析功率和电容器板间场强变化.
解答:解:A、电压表读数U=E-Ir,I增大,U减小.故A正确.
B、R2减小,外电路总电阻减小,总电流I增大,R1上消耗的功率P1=I2R1增大.故B错误.
C、电源的功率P=EI,I增大,P增大.故C错误.
D、电容器的电压UC=E-I(R1+r),UC减小,电容器C的所带电量Q=CU减小.故D错误.
故选A
点评:本题是电路中典型的问题:电路动态变化分析的类型.这种类型常常按照“局部→整体→局部”思路分析.对于路端电压也可以根据路端电压随外电阻增大而增大、减小而减小直接判断.
本题难度:简单
4、选择题 不定项选择
关于电源电动势的说法,正确的是( ? )
A.电源电动势的单位是焦耳
B.电源的路端电压增大时,电源电动势也随着增大
C.无论内电压和外电压如何变化,电源电动势不变
D.电动势是反映电源把其他形式的能转化为电能的本领的物理量
参考答案:CD
本题解析:
本题难度:简单
5、选择题 不定项选择
电池容量就是电池放电时输出的总电荷量,某蓄电池标有“15A·h”的字样,则表示( ? )
A.该电池在工作1h后达到的电流为15A
B.该电池在工作15 h后达到的电流为15A
C.电池以1.5A的电流工作,可用10h
D.电池以15A的电流工作,可用15h
参考答案:C
本题解析:
本题难度:简单