ʱ¼ä:2017-08-08 08:05:33
1¡¢Ñ¡ÔñÌâ ÈçͼËùʾ£¬ÔڴŸÐӦǿ¶ÈΪBµÄÔÈÇ¿´Å³¡ÖУ¬ÓÐÒ»ÔÑÊýΪNµÄ¾ØÐÎÏßȦ£¬ÆäÃæ»ýΪS£¬µç×èΪr£¬ÏßȦÁ½¶ËÍâ½ÓÒ»µç×èΪRµÄÓõçÆ÷ºÍÒ»¸ö½»Á÷µçѹ±í¡£ÈôÏßÈ¦ÈÆ¶Ô³ÆÖáOO¨@ÒÔ½ÇËٶȦØ×öÔÈËÙת¶¯£¬ÔòÏßȦ´ÓͼʾλÖÃת¹ý90¡ãµÄ¹ý³ÌÖУ¬ÏÂÁÐ˵·¨ÕýÈ·µÄÊÇ
A£®Í¨¹ýµç×èµÄµçÁ¿Îª
B£®´©¹ýÏßÈ¦Æ½ÃæµÄ´ÅͨÁ¿µÄ¸Ä±äÁ¿ÎªNBS
C£®½»Á÷µçѹ±íµÄʾÊýΪ
D£®µç×è²úÉúµÄÈÈÁ¿Îª
²Î¿¼´ð°¸£ºAC
±¾Ìâ½âÎö£ºA¡¢ÓÉ
µÃµ½£¬µçÁ¿q=
£®¹ÊAÕýÈ·£®
B¡¢´ÓͼʾλÖÿªÊ¼×ª¶¯90¡ã´ÅͨÁ¿µÄ±ä»¯Á¿£¬¡÷¦µ=¦µ2-¦µ1=BS£®¹ÊB´íÎó£®
C¡¢µç¶¯ÊƵÄ×î´óÖµEm=NBS¦Ø£¬µç¶¯ÊƵÄÓÐЧֵE=
Em£¬½»Á÷µçѹ±íʾÊýU=
E£¬µÃµ½U=
£®¹ÊCÕýÈ·£®
D¡¢µç×èR²úÉúµÄÈÈÁ¿Q=
=
£®¹ÊD´íÎó£®
¹ÊÑ¡AC
±¾ÌâÄѶȣºÒ»°ã
2¡¢Ñ¡ÔñÌâ ¹ØÓÚÀíÏë±äѹÆ÷£¬ÏÂÃæ¸÷˵·¨ÖÐÕýÈ·µÄÊÇ(? )
A£®ËüµÄÊä³ö¹¦ÂʵÈÓÚËüµÄÊäÈ빦ÂÊ
B£®ËüµÄÊä³ö¹¦ÂÊ¿ÉÒÔ´óÓÚËüµÄÊäÈ빦ÂÊ
C£®Ô¸±ÏßȦÁ½¶ËµÄµçѹÓëËüÃǵÄÔÑÊý³É·´±È
D£®Ô¸±ÏßȦµÄµçÁ÷ÓëËüÃǵÄÔÑÊý³ÉÕý±È
²Î¿¼´ð°¸£ºA
±¾Ìâ½âÎö£ºÓÉÄÜÁ¿ÊغãÖªÀíÏë±äѹÆ÷Êä³ö¹¦ÂʵÈÓÚËüµÄÊäÈ빦ÂÊ£¬A¶ÔB´í¡£Ô¸±ÏßȦÁ½¶ËµÄµçѹÓëËüÃǵÄÔÑÊý³ÉÕý±È£¬C´í¡£Ô¸±ÏßȦµÄµçÁ÷ÓëËüÃǵÄÔÑÊý³É·´±È£¬D´í¡£
±¾ÌâÄѶȣº¼òµ¥
3¡¢Ñ¡ÔñÌâ µçÁ÷·½ÏòÿÃë¸Ä±ä50´ÎµÄÕýÏÒʽ½»±äµçÁ÷£¬ËüµÄÖÜÆÚºÍÆµÂÊ·Ö±ðÊÇ£¨ £©
A£®0.04s,25Hz
B£®0.08s,25Hz
C£®0.04s,50Hz
D£®0.08s,50Hz
²Î¿¼´ð°¸£ºA
±¾Ìâ½âÎö£ºÕýÏÒ½»Á÷µçµÄ·½ÏòÒ»¸öÖÜÆÚ¸Ä±ä2´Î£¬ËùÒÔµçÁ÷·½ÏòÿÃë¸Ä±ä50´ÎµÄÕýÏÒʽ½»±äµçÁ÷µÄƵÂÊΪ25HZ£¬¹ÊÖÜÆÚ
Ñ¡C¡£
±¾ÌâÄѶȣºÒ»°ã
4¡¢Ñ¡ÔñÌâ ÈçͼËùʾ£¬Ò»Õý·½ÐÎÏßȦabcdÔÚÔÈÇ¿´Å³¡ÖÐÈÆ´¹Ö±ÓڴŸÐÏߵĶԳÆÖáOO¡äÔÈËÙת¶¯£¬ÑØ×ÅOO¡ä¹Û²ì£¬ÏßÈ¦ÑØÄæÊ±Õë·½Ïòת¶¯£®ÒÑÖªÔÈÇ¿´Å³¡µÄ´Å¸ÐӦǿ¶ÈΪB£¬ÏßȦÔÑÊýΪn£¬±ß³¤Îªl£¬µç×èΪR£¬×ª¶¯µÄ½ÇËÙ¶ÈΪ¦Ø£¬Ôòµ±ÏßȦתÖÁͼʾλÖÃʱ£¨¡¡¡¡£©
A£®ÏßȦÖиÐÓ¦µçÁ÷µÄ·½ÏòΪabcda
B£®ÏßȦÖеĸÐÓ¦µçÁ÷Ϊ
| nBl2¦Ø R |

²Î¿¼´ð°¸£ºA¡¢Í¼Ê¾Ê±¿Ì£¬adËÙ¶È·½ÏòÏòÀbcËÙ¶È·½ÏòÏòÍ⣬¸ù¾ÝÓÒÊÖ¶¨ÔòÅжϳöadÖиÐÓ¦µçÁ÷·½ÏòΪa¡úd£¬bcÖеçÁ÷·½ÏòΪc¡úb£¬ÏßȦÖиÐÓ¦µçÁ÷µÄ·½ÏòΪadcba£®¹ÊA´íÎó£®
B¡¢ÏßȦÖеĸÐÓ¦µç¶¯ÊÆÎªE=nBS¦Ø=nBl2¦Ø£¬
ÏßȦÖеĸÐÓ¦µçÁ÷ΪnBl2¦ØR£¬¹ÊBÕýÈ·
C¡¢Í¼Ê¾Ê±¿Ìad¡¢bcÁ½±ß´¹Ö±Çиî´Å¸ÐÏߣ¬´©¹ýÏßȦ´ÅͨÁ¿Îª0£¬ÓÉ·¨ÀµÚµç´Å¸ÐÓ¦¶¨ÂÉ·ÖÎöµÃÖª£¬´ÅͨÁ¿µÄ±ä»¯ÂÊ×î´ó£®¹ÊCÕýÈ·
D¡¢´©¹ýÏßȦ´ÅͨÁ¿µÄ±ä»¯ÂÊΪBl2¦Ø£®¹ÊDÕýÈ·
¹ÊÑ¡BCD£®
±¾Ìâ½âÎö£º
±¾ÌâÄѶȣº¼òµ¥
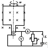
5¡¢Ñ¡ÔñÌâ   ;ÈçͼËùʾ£¬µç×èΪrµÄ¾ØÐÎÏßȦÔÚÔÈÇ¿´Å³¡ÖÐÈÆ´¹Ö±Óڴų¡µÄÖáÒÔ½ÇËٶȦØÔÈËÙת¶¯¡£t=0ʱ¿ÌÏßÈ¦Æ½ÃæÓë´Å³¡´¹Ö±£¬¸÷µç±í¾ùΪÀíÏë½»Á÷µç±í£¬Ôò 
[? ]
A£®t=0ʱ¿ÌÏßȦÖеĸÐÓ¦µç¶¯ÊÆ×î´ó
B£®1sÄÚµç·ÖеĵçÁ÷·½Ïò¸Ä±ä¦Ø/¦Ð´Î
C£®»¬Æ¬PÏ»¬Ê±£¬µçѹ±íµÄ¶ÁÊý±ä´ó
D£®¿ª¹ØK´¦ÓÚ¶Ï¿ª×´Ì¬ºÍ±ÕºÏ״̬ʱ£¬µçÁ÷±íµÄ¶ÁÊýÏàͬ
²Î¿¼´ð°¸£ºBC
±¾Ìâ½âÎö£º
±¾ÌâÄѶȣºÒ»°ã