时间:2017-08-08 07:55:05
1、简答题 一根长为1m的均匀电阻丝需与一“10V,5W”的灯同时工作,电源电压恒为100V,电阻丝阻值R=100Ω(其阻值不随温度变化).现利用分压电路从电阻丝上获取电能,使灯正常工作.(1)在方框中完成所需电路;(2)电路中电流表的量程应选择______(选填:“0-0.6A”或“0-3A”);(3)灯正常工作时,与其并联的电阻丝长度为______m(计算时保留小数点后二位).
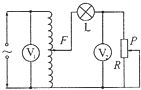
2、选择题 如图所示的电路中,有一自耦变压器,左侧并联一只理想电压表V1后接在稳定的交流电源上;右侧串联灯泡L和滑动变阻器R,R上并联一只理想电压表V2.下列说法中正确的是( )
A.若F不动,滑片P向下滑动时,V1示数变大,V2示数变小
B.若F不动,滑片P向下滑动时,灯泡消耗的功率变小
C.若P不动,滑片F向下移动时,V1、V2的示数均变小
D.若P不动,滑片F向下移动时,灯泡消耗的功率变大
3、选择题 在下列用电器中,那些用电器接到电路中消耗的电能等于电流产生的热量( )
A.电扇和电吹风
B.白炽灯、电烙铁和电热毯
C.洗衣机和电冰箱
D.电解槽
4、填空题 某同学在做测定小灯泡功率的实验中得到如下一组U和I的数据:
| 编号 | 1 | 2 | 3 | 4 | 5 | 6 | 7 | 8 U(V) 0.20 0.60 1.00 1.40 1.80 2.20 2.60 3.00 I(A) 0.020 0.060 0.100 0.140 0.170 0.190 0.200 0.205 灯泡发光情况 | 不亮 微亮 逐渐变亮 正常发光 | |||||||
5、选择题 如图所示,边长为L的正方形导线框底边水平,且平行于正下方的磁场边界,正下方的匀强磁场宽度均为L,磁感强度等值反向,两磁场区域紧邻.当线框底边进入磁场I区域时,导线框恰好做匀速运动,这时导线框的电功率为P.则当导线框底边刚进入磁场II区域时,下列结论正确的是( )
A.导线框作加速运动,其加速度为g/2
B.导线框作减速运动,其加速度大小为3g
C.导线框作减速运动,其瞬时电功率为2P
D.导线框作减速运动,其瞬时电功率为4P