时间:2017-08-08 07:27:27
1、选择题 不定项选择
某激光器能发射波长为λ的激光,发射功率为P,c表示光速,h为普朗克常量,则激光器每秒发射的光量子数为( ? )
A.λP/hc
B.hp/λc
C.cpλ/h
D.λPhc
2、选择题 在光电效应实验中,飞飞同学用同一光电管在不同实验条件下得到了三条光电流与电压之间的关系曲线(甲光、乙光、丙光),如图所示则可判断出

[? ]
3、选择题 关于光电效应的规律,下列说法中不正确的是
A.当某种色光照射金属表面时,能产生光电效应,则入射光的频率越大,产生的光电子的最大初动能越大
B.当某种色光照射金属表面时,能产生光电效应,则入射光的强度越大,产生的光电子数越多
C.同一频率的光照射不同金属,如果都能产生光电效应,则逸出功大的金属产生的光电子的最大初动能也越大
D.对于某金属,入射光波长必须小于某一极限波长,才能产生光电效应
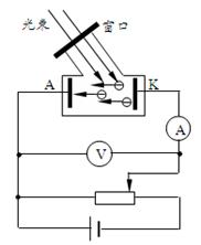
4、填空题 (4分)如图所示为研究光电效应的电路图,对于某金属用紫外线照射时,电流表指针发生偏转。将滑动变阻器滑动片向右移动的过程中,电流表的示数不可能? _(选填“减小”、“增大”)。 如果改用频率略低的紫光照射,电流表? _(选填“一定”、“可能”或“一定没”)有示数。
5、选择题 如图所示,电路中所有元件完好,光照射到光电管上,灵敏电流计中没有电流通过,某同学分析可能的原因有:
①入射光太弱;
②入射光波长太长
③光照时间太短
④电源正负极接反.
下列选项中,均有可能的是( ? )
A.①③
B.②④
C.①②
D.③④