时间:2017-08-07 16:02:02
1、选择题  如图所示是一个基本逻辑电路.声控开关、光敏电阻、小灯泡等元件构成的一个自动控制电路.该电路的功能是在白天无论声音多么响,小灯泡都不会亮,在晚上,只要有一定的声音,小灯泡就亮.这种电路现广泛使用于公共楼梯间,该电路虚线框N中使用的是简单逻辑电路.则下面说法正确的是(  )
A.R2为光敏电阻,N为与逻辑电路
B.R2为热敏电阻,N为与逻辑电路
C.R2为光敏电阻,N为或逻辑电路
D.R2为热敏电阻,N为或逻辑电路
参考答案:根据题意可知:要使小灯泡发光,则要具备两个条件,一是晚上,而是有声音,声音电阻R2的为光敏电阻,两个条件缺一不可是与的关系,所以N为与逻辑电路
故选A
本题解析:
本题难度:一般
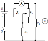
2、选择题  如图所示电路中,电源内电阻为r,R1、R3、R4均为定值电阻,电表均为理想电表.闭合电键S,将滑动变阻器R2的滑片向上滑动,电流表和电压表示数变化量的大小分别为△I、△U,下列结论中正确的是(  )
A.电流表示数变大
B.电压表示数变大
C.
| △U △I | 
| △U △I | 

参考答案:设R1、R2、R3、R4的电流分别为I1、I2、I3、I4,电压分别为U1、U2、U3、U4.干路电流为I总,路端电压为U,电流表电流为I.
 A、滑动变阻器R2的滑片向上滑动,R2变小,外电阻变小,I总变大,U=E-Ir变小,U3变小,U变小,I3变小,而由I总=I3+I4,I总变大,I4变大,U4变大,而U1+U4=U,U变小,U1变小,I1变小.又I总=I1+I,I总变大,I1变小,则I变大,故A正确,B错误;
 C、D,由欧姆定律U=E-I总r,得△U△I总=r.由I总=I+I1,I变大,I1变小,I总变大,则△I>△I总,△U△I<△U△I总,故△U△I<r,故C错误,D正确.
故选AD
本题解析:
本题难度:简单
3、选择题  如图所示电路中,R为热敏电阻,R1、R2、R3、R4为定值电阻,C为电容器,L为灯泡,当R周围的温度迅速降低时
[? ]
A.灯泡L变亮 
B.电阻R3消耗的功率变大 
C.电容器充电 
D.电源的效率变小 
参考答案:B
本题解析:
本题难度:一般
4、选择题  ①请你写出闭合电路欧姆定律的内容。
②闭合电路欧姆定律用公式可以有哪些表达形式,请你写出来(至少2种)。
参考答案:①闭合电路的电流跟电源的电动势成正比,跟内、外电路的电阻之和成反比。
② 或者
 或者 
    
   。
。
本题解析:本题考查学生对闭合电路欧姆定律的了解,具体内容可参看课本选修3-1相关章节。
考点:本题考查了闭合电路欧姆定律的概念
本题难度:一般
5、简答题  如图电路中,电源电动势E=6V,内阻不计,电阻 .
.
(1)若a、b两点间接一电压表,求电压表示数;
(2)若a、b两点间接一电流表,求电流表示数.
(不考虑电表内阻的影响)
参考答案:(1)4.8V?(2)0.8A
本题解析:
本题难度:一般