时间:2017-08-07 15:53:29
1、选择题 下列用电器中,能够将电能转化为机械能的是( )
A.电风扇
B.日光灯
C.洗衣机
D.电熨斗
参考答案:AC
本题解析:
本题难度:简单
2、简答题 如图所示,电源的电动势E=36V,内阻r=0.5Ω,电灯上标有“6V?12W”字样,直流电动机线圈电阻R=2.5Ω.若电灯恰能正常发光,求电动机输出的机械功率.
参考答案:因为电灯恰能正常发光,所以闭合电路中的电流为I=PLUL=126A=2A
电源的总功率为P=IE=2×36=72W
电灯、电动机线圈电阻、电源内阻可作为纯电阻处理,它们消耗的电能全部转化为电热,电路中总的热功率为:PQ=PL+I2(R+r)=12+22×(2.5+0.5)=24W
由能量守恒定律有?P=PQ+P机
则电机输出的机械功率为P机=P-PQ=48W
答:电动机输出的机械功率为48W.
本题解析:
本题难度:一般
3、选择题 小明从国外带回一把标有“110V、60Hz、880W”的电咖啡壶,在我国家庭电路中此咖啡壶( )
A.可以直接接入正常使用
B.通过匝数比为2:1的降压变压器接入正常使用
C.通过变压器正常工作时,原线圈电流为4A
D.通过变压器正常工作时,电咖啡壶交变电流频率为60Hz
参考答案:BC
本题解析:
本题难度:一般
4、选择题 四盏灯连接如图所示,灯L1、L2上标有“110V、100W”,灯L3、L4标有“110V、40W”,当在A、B两点加上220V电压时,在这四盏灯中实际消耗功率最小和最大的灯泡分别是( )
A.L1和L2
B.L1和L3
C.L3和L4
D.L2和L4
参考答案:C
本题解析:
本题难度:简单
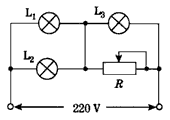
5、填空题 现有L1“110 V 100 W”、L2“110 V 40W”和L3“110 V 25W”的灯泡各一个,另有一个合适阻值的滑动变阻器,把它们连接在220V的电源上,有人设计了一种如图所示的电路。则该电路中的三个灯正常发光时,滑动变阻器R的阻值是_____Ω(保留一位小数),电路消耗电能的功率为_____W。题中的电路设计并不是最节能的,请你设计一个能使灯泡都正常发光且最节能的电路。

参考答案:105.2,280,图“略”
本题解析:
本题难度:一般