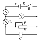
A.灯泡L变亮
B.电流表读数变小,电压表读数变大
C.电源的输出功率变小
D.电容器C上电荷量减少
参考答案:BC
本题解析:将滑动变阻器滑片P向左移动一段距离后,灯泡L中电流减小,电流表读数变小,电压表读数变大,灯泡L变暗,选项A错误B正确;由于灯泡L的电阻大于电源的内阻r,电源的输出功率变小,选项C正确;将滑动变阻器滑片P向左移动一段距离后,电容器C上电压增大,电容器C上电荷量增多,选项D错误。
本题难度:一般
2、选择题 如图,轻绳的两端分别系在圆环A和小球B上,圆环A套在粗糙的水平杆上,现用水平力F将小球B缓慢地拉至虚线处,在此过程中A的位置操持不变,则环A对杆的摩擦力f 和压力N 如何变化:(?)

A.f 不变,N 不变;
B.f 增大,N 不变;
C.f 增大,N 减小;
D.f 不变,N 减小;
参考答案:B
本题解析:以圆环、物体B及轻绳整体为研究对象,分析受力情况:竖直向上的支持力
?,重力G,水平向右的力F,则一定受水平向左的杆对A的摩擦力
根据平衡条件得到, 杆对环的支持力
=G保持不变.杆对环的摩擦力
=F.再以B为研究对象,分析受力情况:B受绳子的拉力T,水平力F,B的重力
,由平衡条件得到 F=
tanθ,当物体B从图中实线位置缓慢上升到虚线位置过程中,θ逐渐增大,则F逐渐增大,
逐渐增大.所以
保持不变,
逐渐增大.由牛顿第三定律知:则环A对杆的摩擦力f 和压力N 如何变化情况是:f 增大,N 不变。故选B.
本题难度:一般
3、选择题
图示是某导体的I-U图线,图中α=45°,下列说法正确的是( )

A.通过电阻的电流与其两端的电压成正比
B.此导体的电阻R=2Ω
C.I-U图线的斜率表示电阻的倒数,所以电阻R=cot45°=1.0Ω
D.在R两端加6.0V电压时,每秒通过电阻截面的电量是6.0C
参考答案:AB
本题解析:
本题难度:一般
4、选择题 下表为某电饭锅铭牌上的一部分内容.根据表中的信息,可以看出在额定电压( )
| 电器名称 | 电饭锅 | | 额定功率 | 700W 额定电压 220V 额定容量 4.0L
|
A.700V
B.4V
C.220V
D.1.5V
参考答案:根据表格铭牌的标示220v,可知额定电压为220v,
故C正确.
本题解析:
本题难度:一般
5、选择题 如图所示,两板间距为d的平行板电容器与一电源连接,开关S闭合,电容器两板间的一质量为m,带电荷量为q的微粒静止不动,下列说法中正确的是( ?)

A.微粒带的是正电
B.电源电动势的大小等于mgd/q
C.断开开关S,微粒将向下做加速运动
D.保持开关S闭合,把电容器两极板距离减小,将向下做加速运动
参考答案:B
本题解析:由题,带电荷量为q的微粒静止不动,受力平衡,根据电场力方向与场强方向的关系,确定微粒的电性.由平衡条件求解板间电压,板间电压等于电源的电动势.断开电键K,或保持电键K闭合,把电容器两极板距离增大,根据微粒所受电场力有无变化,分析微粒是否运动.
A、如图板间场强方向向下.微粒处于静止状态,受到向上的电场力,则微粒带的是负电.故A错误.
B、板间电压等于电源的电动势.由平衡条件得,
,得到
.故B正确.
C、断开电键K,板间电压与场强均不变,微粒所受的电场力不变,所以微粒仍将保持静止状态.故C错误.
D、保持电键K闭合,把电容器两极板距离增大,电容减小,电量不变,根据推论可知,板间电场强度不变,微粒所受的电场力不变,微粒仍保持静止状态.故D错误.
故选B。
点评:微粒能否运动,关键是分析电场力是否变化.当电容器的电量和正对面积不变,板间距离变化时,板间场强不变.
本题难度:一般
Mediocrities can explain everything,and are surprised at nothing. 庸人能解释一切,而且对什么都不会感到意外.