时间:2017-08-07 15:34:47
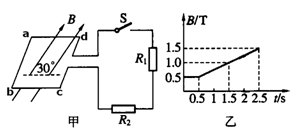
1、填空题  (18分)(1)如图所示,在匀强磁场中,与磁感应强度B成30°角放置一矩形线圈,共100匝,线圈长lab=10cm、宽lbc=8cm,线圈电阻r=1.0Ω,与它相连的电路中,电阻R1=4.0Ω,R2=5.0Ω,磁感应强度变化如图乙所示,开关闭合后t=1.5s时R2中电流的大小为_______A,此时左侧边ab所受的安培力大小_______N。
(2)一个质量为
=0.001kg、带电量为
=
C的带正电小球和一个质量也为
不带电的小球相距
=0.2m,放在绝缘光滑水平面上,当加上如图的
=
N/C的水平向左的匀强电场和
=0.5T的水平向外的匀强磁场后,带电小球开始运动,与不带电小球相碰后粘在一起,则两球碰后的速度为________m/s,两球碰后到两球离开水平面,还要前进_________m。
(3)在“用单摆测定重力加速度”的实验中,测得单摆摆角小于10°时,完成n次全振动时间为t,用毫米刻度尺测得摆线长为
,用螺旋测微器测得摆球直径为d.
①测得重力加速度的表达式为g=_________.
②实验时某同学测得的g值偏大,其原因可能是_________.
A.实验室的海拔太高
B.摆球太重
C.测出n次全振动时间为t,误作为(n+1)次全振动时间进行计算
D.用摆线长与摆球直径之和作为摆长来计算
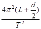
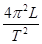
③用的摆球密度不均匀,无法确定重心位置.他第一次量得悬线长为
 (不计半径),测得周期为T1;第二次量得悬线长为
,测得周期为T2.根据上述数据,g表达式为___________
参考答案:(1)0.02A  0.2N    (2) 
=10m/s   s=1.5m
(3) ① g=
 ②CD  ③
本题解析:(1)根据法拉第电磁感应定律,则有:
=0.2V;
根据闭合电路欧姆定律则有,R2中电流大小为:
=0.02A,
左侧边ab所受的安培力大小F=BlabI=0.2N
(2)根据动能定理:EqL=
mv12,代入数据得:v1=20m/s;
小球相碰后粘在一起,根据动量守恒定律:mv1=2mv2,v2=10m/s。
当两球所受洛伦磁力等于重力时,离开地面,则:qv3B=2mg,v3=40m/s
根据动能定理:Eqx=
2m(v32-v22),x=1.5m;
(3)①周期为一次全振动的时间,所以T=t/n;
根据周期公式得:T=
,所以g=
=
=
 
②实验室的海拔太高,g偏小,A错误;摆球太重,不影响周期,B错误;测出n次全振动时间为t,误作为(n+1)次全振动时间进行计算,造成T偏小,g偏大,C正确;用摆线长与摆球直径之和作为摆长来计算,造成L偏大,g偏大,D正确。故选CD
③设摆球的重心到线与球结点的距离为r,根据单摆周期的公式T=2π
得
T1=2π
①
T2=2π
②
联立两式解得
g=
考点:法拉第电磁感应定律、安培力、动能定理、动量守恒定律、单摆的周期
本题难度:一般
2、选择题  物理学的基本原理在生产、生活中有着广泛的应用,下面列举的四种电器中,利用了电磁感应的是
A.电饭煲
B.微波炉 
C.电磁炉 
D.白炽灯泡
参考答案:C
本题解析:电磁炉是应用电磁感应原理对食品进行加热的,电磁炉的炉面是耐热陶瓷板,交变电流通过陶瓷板下方的线圈产生磁场,磁场内的磁力线穿过铁锅、不锈钢锅等底部时,产生涡流,令锅底迅速发热,达到加热食品的目的。选项C正确。
考点:电磁感应现象在生活中的应用。
本题难度:简单
3、填空题  如图1所示,闭合线圈A、B绕在闭合铁芯的左右两侧(线圈与铁芯绝缘),在线圈A的所围的区域(除铁芯外)中有变化的磁场(如A、B、C三个B-t图线所示),则能使B线圈电路中形成a-G-b方向电流的磁场,应是图______所示的磁场.
参考答案:根据B线圈电路中形成a-G-b方向电流,由楞次定律可知,线圈B中的磁通量要么向上,大小减小;要么向下,大小增大.而磁通量变化是由线圈A的电流变化引起的,故线圈A的磁通量要么向下,大小减小;要么向上,大小增大.
由于线圈B中的磁场垂直向里,且大小增大,故线圈B中的感应电流磁场是向上.
由法拉第电磁感应定律可知,只有线圈B中的磁通量变化率增大,才会出现图示电流.
故选B
本题解析:
本题难度:一般
4、计算题  如图所示,金属导轨MN、PQ之间的距离L=0.2m,导轨左端所接的电阻R=1
,金属棒ab可沿导轨滑动,匀强磁场的磁感应强度为B="0.5T," ab在外力作用下以V=5m/s的速度向右匀速滑动,求金属棒所受安培力的大小。
参考答案:0.05N
本题解析:导体棒ab垂直切割磁感线
点评:当金属棒在导轨上以某一速度向右做匀速滑动时,切割磁感线产生感应电动势,相当于电源,
本题难度:简单
5、计算题  如图甲是矩形导线框,电阻为R。虚线左侧线框面积为S,右侧面积为2S,虚线左右两侧导线框内磁场的磁感应强度随时间变化规律如图乙所示,设垂直线框向里的磁场为正,求线框中0~t0时间内的感应电流的大小。
参考答案:解:向里的变化磁场产生的感应电动势
向外的变化磁场产生的感应电动势
从图中得
感应电流
解得
本题解析:
本题难度:一般