时间:2017-08-07 15:12:06
1、计算题  电源的电动势为2.0V,外电阻为9.0Ω时,路端电压为1.8V,求电源的内电阻。
参考答案:解:

本题解析:
本题难度:一般
2、计算题  有一个电流表G,内阻Rg=10Ω满偏电流Ig=3mA。要把它改装成量程0~3V的电压表,要串联多大的电阻?改装后电压表的内阻是多大? 
参考答案:990Ω? 1000Ω
本题解析:改装电压表,需要串联一个电阻分压,所以根据欧姆定律可得 ,解得:
,解得:
改装后电压表的内阻为
点评:关键是知道电压表改装时,与电阻的串并联关系,然后根据欧姆定律分析
本题难度:简单
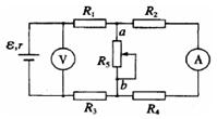
3、选择题  在如图所示的电阻中, 和
和 皆为定值电阻,
皆为定值电阻, 为可变电阻,电源的电动势为
为可变电阻,电源的电动势为 ,内阻为r。设电流表A的读数为I,电压表V的读数为U。当
,内阻为r。设电流表A的读数为I,电压表V的读数为U。当 的滑动触点向图中a端移动时(?)
的滑动触点向图中a端移动时(?)
A.I变大,U变小
B.I变大,U变大
C.I变小,U变大
D.I变小,U变小
参考答案:D
本题解析:当 的滑动触点向a端滑动时,
的滑动触点向a端滑动时, 变小,故而外电路的电阻变小,路端电压变小,电压示数减小,干路电流I增大,则
变小,故而外电路的电阻变小,路端电压变小,电压示数减小,干路电流I增大,则 两端电压减小,电流减小,电流表示数变小,选项D正确。
两端电压减小,电流减小,电流表示数变小,选项D正确。
本题难度:简单
4、选择题  如图所示,电路中电键S闭合时,电表V1、V2、A的示数分别为220V、110V、0.2A.某时电路出现故障,V1和V2的示数都变为220V,而A的示数变为零时,则(  )
A.出故障的是L1,且L1断路
B.出故障的是L2,且L2断路
C.出故障的是L1,且L1短路
D.L1和L2都同时断路
参考答案:A、若出故障的是L1,且L1断路,电路中没有电流,则V2的示数为零,不符合题意.故A错误.
? B、若出故障的是L2,且L2断路,电流中没有电流,L2两端的电势分别等于电源两极的电势,则L2两端的电压等于电源的电压,符合题意.故B正确.
? C、若出故障的是L1,且L1短路,则电流表的读数应增大,不可能为零,不符合题意.故C错误.
? D、若L1和L2都同时断路,V2的示数和A的示数都变为零时,与题意不符.故D错误.
故选B
本题解析:
本题难度:一般
5、选择题  如图所示是根据某次实验记录数据画出的U-I图象.下面关于这个图象的各种说法正确的是(? )
A.电源电动势为3V
B.短路电流为0.6A
C.电池内阻为5Ω
D.电池内阻无法确定
参考答案:A
本题解析:由闭合电路欧姆定律可知U=E-Ir,当I=0时,U="E=3.0" V, r=ΔU/ΔI=1Ω,短路时U=0,则I短=E/r="3.0" A。
本题难度:简单