时间:2017-08-07 15:02:01
1、选择题 如图所示,电路中有四个完全相同的灯泡,额定电压均为U,额定功率均为P,变压器为理想变压器,现在四个灯泡都正常发光,则变压器的匝数比n1∶n2??;电源电压U1为??。
?
参考答案:2:1? 4U
本题解析:设每盏电灯的额定电流为I,则变压器初级电流为I,次级电流为2I,根据
?解得:
,变压器次级电压为U,则初级电压为
2U,所以U1=U1/+2U=4U。
本题难度:一般
2、选择题 下图所示为理想变压器原线圈所接正弦交流电源两端的u-t图象.原、副线圈匝数比n1:n2=10:1,串联在原线圈电路中交流电流表的示数为1 A,则(? )
A.变压器原线圈所接交流电压的有效值为220 V
B.变压器输出端所接电压表的示数为22
V
C.变压器输出端交变电流的频率为50 Hz
D.变压器的输出功率为220
W
参考答案:AC
本题解析:由交流电的有效值与最大值关系可得U=
="220" V,A正确;变压器输出电压U2=
U="22" V,电压表示数即为有效值,为22 V,B错;由图可知,交变电流的周期T="0.02" s,则频率f="50" Hz,且变压器工作时交变电流的频率不变,C正确;变压器的输出功率等于输入功率P="IU=1×220" W,D错.
本题难度:简单
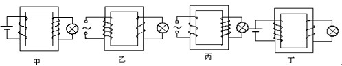
3、选择题 下图中可以将电压升高供给电灯的变压器是( )
A.甲图
B.乙图
C.丙图
D.丁图
参考答案:C
本题解析:甲图中原线圈接入恒定电流,变压器不能工作,故A错误;乙图中,原线圈匝数比副线圈匝数多,所以是降压变压器,故B错误;丙图中,原线圈匝数比副线圈匝数少,所以是升压变压器,故C正确;丁图中,原线圈接入恒定电流,变压器不能工作,故D错误;
故选:C
考点:变压器的构造和原理.
点评:理想变压器是理想化模型,一是不计线圈内阻;二是没有出现漏磁现象.同时副线圈的电压由原线圈电压与原副线圈匝数决定,而原线圈的电流由副线圈决定.
本题难度:一般
4、选择题 右图所示的是一个理想变压器的示意图,S为单刀双掷开关,P是滑动变阻器R的滑动触头,U1为加在原线圈两端的交流电压,I1为原线圈中的电流,下列说法正确的是(?)
A.若保持P的位置及U1不变,S由a合到b处时,I1增大
B.若保持P的位置及U1不变,S由b合到a处时,R消耗的功率变小
C.若保持U1不变,S置于b处,将P向上滑动时,I1减小
D.若保持P的位置不变,S由b合到a处时,U1增大,I1减小
参考答案:ABC
本题解析:保持P的位置及U1不变,S由a合到b处时,原线圈匝数减小,U2变大,R消耗的功率变大,根据U1I1=U2I2=PR知,I1增大;P的位置及U1不变,S由b合到a处时,原线圈匝数变大,U2变小,R消耗的功率变小;保持U1不变,S置于b处,将P向上滑动,R变大,U2不变,R消耗的功率变小,I1减小;保持P的位置不变,S由b合到a处时,U1不变,原线圈匝数变大,U2变小,R消耗的功率变小,I1减小.所以A、B、C正确,D错.
本题难度:简单
5、选择题 如右图所示,理想变压器输入端接在电动势为ε,内阻为r的交流电压上,输出端接负载R,如果要求负载R上消耗的电功率最大,则?(?)
A.变压器原副线圈的匝数比为
B.变压器原副线圈的匝数比为
C.负载R上消耗的电功率最大值是
D.负载R上消耗的电功率最大值是
参考答案:C
本题解析:设原副线圈的匝数分别为n1,n2,电流分别为I1,I2,电压分别为U1,U2,则:
电阻R消耗的电功率为
,即
可见当
时,P有最大值
此时
,则
?
又因:
代入上述所求I1,I2得:
,说明当
时,电阻R消耗功率最大。
本题难度:简单