时间:2017-08-05 17:54:40
1、选择题 风速仪的简易装置如图(甲)所示,风杯在风力作用下带动与其固定在一起的永磁铁转动,线圈中的感应电流随风速的变化而变化。风速为v1时,测得线圈中的感应电流随时间变化的关系如图(乙)所示;若风速变为v2,且v2<v1则感应电流的峰值Im和周期T的变化情况是
?
A.Im变小,T变小
B.Im变小,T变大
C.Im变大,T变小
D.Im变大,T变大
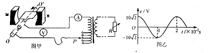
2、选择题 图甲是小型交流发电机的示意图,两极M、N间的磁场可视为水平方向的匀强磁场,A为理想交流电流表,V为理想交流电压表。内阻不计的矩形线圈绕垂直于磁场方向的水平轴OO′沿逆时针方向匀速转动,矩形线圈通过滑环接一理想变压器,滑动触头P上下移动时可改变变压器副线圈的输出电压,副线圈接有可调电阻R,从图示位置开始计时,发电机线圈中产生的交变电动势随时间变化的图像如图乙所示,以下判断正确的是
A.电压表的示数为10V
B.0.01s时发电机线圈平面与磁场方向平行
C.若P的位置向上移动、R的大小不变时,电流表读数将减小
D.若P的位置不变、R的大小不变,而把发电机线圈的转速增大一倍,则变压器的输入功率将增大到原来的4倍
3、简答题 如图所示,是法拉第在1831年9月24日所做的一次实验装置,他把两根磁棒搭成倒V字形,中间加入一个套有线圈的软铁棒,线圈两端与电流计相连。当把夹入的这根铁棒迅速拉开或夹入时,电流计的指针都会发生偏转,请解释它产生感应电流的原因
4、选择题 如图所示的4种情况中,磁场的磁感应强度都是B,导体的长度l和运动速度v的大小都相同.产生感应电动势最小的是(?)
5、选择题 如图所示,在边长为a的等边三角形区域内有匀强磁场B,其方向垂直纸面向外,一个边长也为a的等边三角形导线框架EFG,在t=0时恰好与磁场区域的边界重合,现使导线框以周期T绕其中心O点在纸面内顺时针匀速转动,下列说法正确的是(?)
A.0到
时间内,感应电流方向为E→F→G→E
B.0到
时间内,感应电流方向为E→G→F→E
C.0到
时间内,平均感应电动势大小等于
D.0到
时间内,平均感应电动势大小等于