时间:2017-08-05 17:26:13
1、选择题 如图所示,平行线代表等势线,一个带正电、电量为10-6C的微粒在电场中仅受电场力作用,当它从A点运动到B点时动能减少了10-5J,已知A点的电势为-10V,则以下判断正确的是( )
A.微粒的运动轨迹如图中的虚线1所示
B.微粒的运动轨迹如图中的虚线2所示
C.B点电势为零
D.B点电势为-20V
2、填空题 一个量程为0~300μA的电流表,内阻为1000Ω,再给它串联一个99000Ω的电阻,将它改装成电压表,改装后电压表的量程为______V,用它来测量一段电路两端的电压时,表盘指针如图,这段电路两端的电压是______V.
3、选择题 如图所示,竖直放置的平行金属板充电后板间形成匀强电场,板间距离为d,一个带电的液滴带电量大小为q,质量为m,从右板下边缘射入电场,沿直线从左板上边缘射出,则( )
A.液滴做可能带负电
B.液滴机械能减小
C.两板的电势差为
| mgd q |
3 |

4、简答题 一同学要测量某电池的电动势E和内阻r,实验器材如下:
A.电压表V1(量程3V,内阻约为3kW)
B.电压表V2(量程1.5V,内阻约为2kW)
C.定值电阻R0,阻值为5W
D.滑动变阻器R,最大阻值10W
E.导线和开关
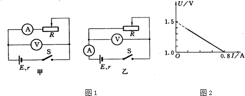
(1)根据图甲所示实验电路,在图乙中完成实物电路的连接.
(2)实验中移动滑动变阻器触头,读出电压表V1和V2的多组数据U1、U2,绘出U1-U2图象如图丙所示,则电源的电动势E=______V,内阻r=______Ω.
5、填空题 在测干电池的电动势和内电阻的实验中,有图甲、图乙两个可供选择的电路,为了测量准确应该选用______电路进行实验,根据实验数据画出的U-I图线如图所示,则求得的电动势是______V,内电阻是______Ω.测量值与真实值相比E测______?E真;?r测______?r真(填“>”“=”或“<”)