时间:2017-08-05 17:11:47
1、选择题 如图所示,一条红色光线和另一条紫色光线,以不同的角度沿半径方向射入同一块半圆形玻璃砖,其透射光线都是沿OC方向射出。下列说法中正确的是
[? ]
A.AO是红光,它穿过玻璃砖所需时间较长
B.BO是红光,玻璃砖对它的折射率较小
C.AO是紫光,它穿过玻璃砖所需时间较长
D.BO是紫光,它穿过玻璃砖所需时间较短
参考答案:BC
本题解析:
本题难度:一般
2、填空题 (3分)如图所示,某种折射率较大的透光物质制成直角三棱镜ABC,在垂直于AC面的直线MN上插两枚大头针P1、P2,在在BC面的右侧无论怎样都看不到大头针P1、P2的像,而在AB面的左侧通过棱镜可以观察大头针P1、P2的像,调整视线方向,直到P1的像被P2的像挡住,再在观察的这一侧先后插上两枚大头针P3、P4(图中未画出),使P3挡住P1、P2的像,P4挡住P3和P1、P2的像,记下P3、P4和三棱镜的位置,移去大头针和三棱镜,过P3、P4作直线与AB面交于D,量出该直线与AB面的夹角为450,则透光物质的折射率n= .
参考答案:
本题解析:在AB面的左侧透过棱镜观察大头针P1、P2的像,调整视线方向,直到P1的像被P2的像挡住,再在观察的这一侧先后插上两枚大头针P3、P4,使P3挡住P1、P2,P4挡住P1、P2以及P3的像.则知P1、P2在入射光线上,P3、P4在出射光线,连接P1、P2作为入射光线,连接P3、P4,作为出射光线,再作出折射光线,画出光路图如图.由几何知识得到:在AB面上入射角i=30°,又折射角r=45°,则折射率
.
考点:光的折射定律。
本题难度:一般
3、计算题 (选修3—4模块)(12分)
(1)下列说法中正确的有?
A.不管光源与观察者是否存在相对运动,观察者观察到的光速是不变的
B.水面上的油膜呈现彩色是光的干涉现象
C.日落时分,拍摄水面下的景物,在照相机镜头前装上偏振光片可以使像更清晰
D.声源向静止的观察者运动,观察者接收到的频率小于声源的频率
(2)如图所示是一列沿x轴正方向传播的简谐横波在t=0时刻的波形图,已知波的传播速度
,则
处质点在1s时的位移为?cm,x=1m处的质点
做简谐运动的表达式y=?cm。
(3)直角玻璃三棱镜的截面如图所示,一条光线从AB面入射,ab为其折射光线,图中
。已知这种玻璃的折射率
试求:
①ab光线在AC面上有无折射光线?(要有论证过程)
②ab光线经AC面反射后,再经BC面折射后的光线与BC面的夹角。
参考答案:(1)ABC
(2)-5、5sin
t
(3)①无折射光线
②
本题解析:
(1)ABC
(全选对给4分,选不全得2分,不选或错选不得分)
(2)-5、5sin
t(每空2分,共4分)
(3)①临界角C满足:
? …………1分
入射角
所以在AC面上发生全反射,即无折射光线? …………1分
②反射光线在BC面上的入射角为
由折射定律有BC面上的折射角r
? …………2分
所以折射光线与BC面的夹角角为
(注:135°也算正确)
本题难度:简单
4、计算题 (选修3-4选做题)
如图所示是一透明的圆柱体的横截面,其半径R=20 cm,折射率为
,AB是一条直径,今有一束平行光沿AB方向射向圆柱体,试求:
(1)光在圆柱体中的传播速度;
(2)距离直线AB多远的入射光线,折射后恰经过B点。
参考答案:解:(1)由
得v=1.73×108 m/s
(2)由折射定律得
根据几何关系有i=2r,h=Rsini
解得h=17.3 cm
本题解析:
本题难度:一般
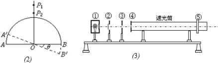
5、简答题 (1)如图(1)为“研究电磁感应现象”的实验装置.
Ⅰ将图中所缺的导线补连完整
Ⅱ正确连好图后,将原线圈插入副线圈不动,闭合电键时,发现灵敏电流计的指针向右偏了一下.那么合上电键后,再将原线圈迅速向上抽出时,灵敏电流计指针将______.(填“向左偏转一下”或“向右偏转一下”或“不偏转”)
(2)如图(2)所示为测一块截面为半圆的柱形玻璃砖的折射率的实验,实验的主要步骤如下:
A.将截面为半圆的柱形玻璃砖放在白纸上,用铅笔画出它的直径AB,移走玻璃砖,并用刻度尺找出中点O,记下此点(即圆心)
B.在圆弧侧的白纸上,作过O点且垂直直径AB的直线CO,放上玻璃砖,在CO上插两颗大头针P1和P2(距离适当远些)
C.使玻璃砖以O为轴在白纸上缓慢地转动,同时眼睛向着AB透过玻璃砖观察P1和P2的像,当恰好看不到P1和P2的像时停止转动玻璃砖,记下此时的直径A′B′位置
D.量出BO和B′O的夹角θ=37°
Ⅰ实验是利用______现象进行的.
Ⅱ计算得,玻璃砖的折射率n=______.
(3)如图(3)是用双缝干涉测光的波长的实验设备示意图.
Ⅰ图中①是光源,⑤是光屏,它们之间的②是滤光片,其作用是______④是双缝,其作用是______.
Ⅱ以下几种说法正确的是______
A.增大③和④之间的距离,干涉条纹间距变宽
B.从第1亮条纹到第n亮条纹中央距离为a,则相邻亮纹间距为△x=
| a n-1 |


参考答案:(1)闭合电键时,线圈磁通量变大,则发现灵敏电流计的指针向右偏了一下;当将原线圈迅速向上抽出时,磁通量变小,而磁场方向不变,则感应电流方向与原来相反,所以灵敏电流计的指针向左偏了一下.
(2)Ⅰ光的全反射
Ⅱ当刚好看不到出射光线,则正好发生光的全反射.
由sinC=1n,得n=1sinC=135=53?
(3)在实验中滤光片的作用是获得单色光,双缝的作用是获是频率相同的相干光线.
由公式△x=ldλ?得当L、d不变时,λ越长则△x越宽,所以选择B选项.
故答案为:(1)向左偏了一下?
? (2)光的全反射;53
? (3)获得单色光;?提供相干光源;? B
本题解析:
本题难度:一般