时间:2017-07-31 08:48:10
1、计算题 在磁感应强度B=2T的匀强磁场中放一根与磁场方向垂直、长度为0.8m的通电直导线,若导线中的电流为5A,求:
(1)导线受到的安培力的大小;
(2)若将导线沿磁场方向移动了0.5m,求安培力对导线所做的功。
参考答案:解:(1)导体与磁场方向垂直,由安培力计算公式F=BIL得
F=BIL=2×5×0.8=8N
(2)因安培力方向与磁场方向垂直,故导线移动方向与安培力方向垂直,安培力不做功,即W=0
本题解析:
本题难度:一般
2、选择题 通电导线所受安培力的方向与磁场方向、电流方向的关系,下列图示正确的是
参考答案:D
本题解析:根据左手定值可知,A图中的安培力应该垂直磁感线竖直向下;B中安培力垂直纸面向外;C中垂直电流斜向上;D中垂直电流向上,故ABC错误,D正确.
本题难度:简单
3、选择题 如图所示,直角三角形通电闭合线圈ABC处于匀强磁场中,磁场垂直纸面向里,则线圈所受磁场力的合力(?)
A.大小为零
B.方向竖直向上
C.方向竖直向下
D.方向垂直纸面向里
参考答案:A
本题解析:对三个边进行受力分析,由
和三个力的夹角关系可以得出三个力的合力为零。
故选A
点评:容易题。闭合线圈在垂直的匀强磁场中各个边受到的安培力的合力一定为零,与线圈形状无关。
本题难度:简单
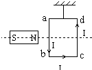
4、选择题 如图所示,悬挂起来的矩形线圈abcd与固定的条形磁铁在同一平面内,二者的中轴线在一条直线上.当线圈中通以逆时针方向的电流时,线圈受磁场力的情况是( )
A.ab边、cd边受力,其它二边不受力
B.ab边和cd边受的力大小相等方向相反,俯视看线圈应逆时针转动
C.ad边和bc边受的力大小相等方向相同
D.ad边和bc边受的力大小相等方向相反
参考答案:A、各边都处在磁场中,各边电流方向都与磁场方向不平行,都受到安培力的作用,故A错误;
B、ab边所处位置磁感应强度大,cd边所处位置磁感应强度小,而两边电流大小相等,由F=BILsinθ可知两边所受安培力不相等,故B错误;
C、ad边与bc边关于条形磁铁对称,它们所处的磁场强度大小相等,两边长度与电流大小相等,由F=BILsinθ可知,两边所受安培力大小相等,由左手定则可知安培力的方向相同,故C正确,D错误;
故选C.
本题解析:
本题难度:一般
5、选择题 下列各图中对通电导线在匀强磁场中所受安培力F的方向判断正确的是
参考答案:C
本题解析:A、所受安培力F的方向水平向右,BD、不受安培力的作用C、所受安培力F的方向垂直于导线向上,故选C
本题难度:简单