时间:2017-07-31 08:32:09
1、实验题  (8分)在把电流表改装为电压表的实验中,实验所用的电流表满刻度电流为200 ,欲将此表改装成量程为2V的电压表。
,欲将此表改装成量程为2V的电压表。
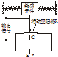
(1)为测出电流表的内阻,采用如图所示的电路原理图。请将以下各实验步骤填写完整。
①依照电路原理图将实物连接成实验线路, R阻值应尽可能    些,开始时两电键均断开。
②将R阻值调至最大,闭合电键_________,调节________的阻值,使电流表达到满刻度。
③闭合_________,调节   的阻值使电流表读数达到满偏一半。
④读出   的读数,即为电流表的内阻。
(2)实验完毕时,两个电阻箱读数如下图所示,则电流表内阻 =____
=____ .这种方法测出的电流表的内阻
.这种方法测出的电流表的内阻 比它的真实值_______(选填“偏大”、“偏小”或“相等”)
比它的真实值_______(选填“偏大”、“偏小”或“相等”)
2、选择题  如图所示电路中,电源电动势E恒定,内阻 ,两电表均为理想电表,定值电阻
,两电表均为理想电表,定值电阻 .当开关K断开与闭合时,ab段电路消耗的电功率相等.则下列说法正确的是(  )
.当开关K断开与闭合时,ab段电路消耗的电功率相等.则下列说法正确的是(  )
A.电阻 、
、 可能分别为3Ω、6Ω
可能分别为3Ω、6Ω
B.电阻 、
、 可能分别为4Ω、5Ω
可能分别为4Ω、5Ω
C.开关K断开时电压表的示数一定小于K闭合时的示数
D.开关K断开与闭合时,电压表的示数变化量大小与电流表的示数变化量大小之比一定等于
3、选择题 如图所示,两足够长的光滑金属导轨水平放置,相距为L,一理想电流表和电阻R与两导轨相连,匀强磁场与导轨平面垂直.导体棒质量为m、有效电阻为r.t=0时对金属棒施一平行于导轨的外力F,金属棒由静止开始沿导轨向右运动,通过R的感应电流随时间t变化的关系如图乙所示.下列关于穿过回路abMpa的磁通量Φ和磁通量的瞬时变化率
| △Φ △t | 





4、简答题  加速度计是测定物体加速度的仪器,在现代科技中,它已成为导弹、飞机、潜艇和宇宙飞船制导系统的信息源.图所示为应变式加速度计,当系统加速时,加速度计中的敏感元件也处于加速状态,敏感元件由弹簧连接并架在光滑支架上,架与待测系统固定在一起.敏感元件下端滑动臂可在滑动变阻器R上自由滑动,当系统加速运动时,敏感元件发生位移,并转换为电信号输出.已知敏感元件的质量为m,两侧弹簧的劲度系数均为k,电源电动势为E,内阻为r,滑动变阻器的总阻值为R,有效长度为L,调整接点C的位置,使静态时输出电压为零.
(1)当系统做匀加速运动时,试写出加速度a与电压表示数U的对应关系,以便重新刻制到电压表表盘,使它成为直接读加速度值的加速度计;
(2)为什么C点设置在电阻丝AB的中间?对电压表的零刻度在表盘上的位置应有什么要求?表盘的加速度刻度是否均匀?
5、简答题  如图所示,电阻 ,小灯泡
,小灯泡 上标有“3V,1.5W",电源内阻
上标有“3V,1.5W",电源内阻 ,滑动变阻器的最大阻值为
,滑动变阻器的最大阻值为 (大小未知),当触头
(大小未知),当触头 滑动到最上端
滑动到最上端 时;’安培表的读数为l A,小灯泡
时;’安培表的读数为l A,小灯泡 恰好正常发光,求:
恰好正常发光,求:
小题1:滑动变阻器的最大阻值
小题2:当触头 滑动到最下端
滑动到最下端 时,求电源的总功率及输出功率。
时,求电源的总功率及输出功率。