时间:2017-07-31 07:56:26
1、选择题 在基本逻辑电路中,当所有输入均为“0”时,输出是“1”的是
A.“与”门电路
B.“或”门电路
C.“非”门电路
D.都不可能
参考答案:C
本题解析:本题考查“与”、“或”、“非”门电路.据“与”门电路和“或”门电路的真值表可知,C正确,A、B不正确.
本题难度:困难
2、选择题 关于电子秤中应变式力传感器的说法正确的是( )
A.应变片多用半导体材料制成
B.当应变片的表面拉伸时,其电阻变小;反之变大
C.传感器输出的是应变片上的电压
D.外力越大,输出的电压差值越小
参考答案:A
本题解析:
本题难度:简单
3、填空题 电动机的自动控制电路如图所示,其中RH为热敏电阻,RL为光敏电阻,当温度升高时,RH的阻值远小于R1;当光照射RL时,其阻值远小于R2,为使电动机在温度升高或受到光照时能自动启动,电路中虚线框内应选___________门逻辑电路;若要提高光照时电动机启动的灵敏度,可以___________ R2的阻值(填“增大”或“减小”)。

参考答案:或,增大
本题解析:
本题难度:一般
4、选择题 下列不会用到温度传感器的是 (? )
A.空调机
B.电冰箱
C.微波炉
D.楼道自动开关电灯
参考答案:D
本题解析:传感器是将非电学量转变成电学量,如力传感器是将力学量转变成电学量.而温度传感器则是通过温度的变化转变成电学量.
A.空调机,B.电冰箱,C. 微波炉都会用到温度传感器起一定自动控制作用,D.楼道自动开关电灯,就能通过声光控制灯的自动开关,用的是光敏电阻。
故选:D
点评:热敏电阻是当温度变化时,导致电阻的阻值发生变化;而光敏电阻则是当有光时,其电阻的阻值发生变化.它们的电阻都是变小,而金属电阻则是变大.
本题难度:简单
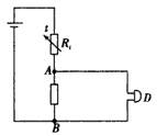
5、作图题 用煤气烧水时,如果水开了,不及时关掉煤气,时间长了,会发生火灾,请设计一报警器,水开时,能及时报警,提醒主人及时关掉煤气?
参考答案:如图所示,当t上升到一定温度,Rt变得较小,AB间电压变得较大,使蜂鸣器D工作报警
?
本题解析:
本题难度:一般