时间:2017-07-31 07:41:49
1、计算题 如图所示,R1=2kΩ,R2=3kΩ,电源内阻可忽略。现用一电压表测电路路端电压,示数为6V;用这电压表测R1两端,电压示数为2V。
(1)那么电压表内阻为多少?
(2)如用这电压表测R2两端电压,示数是多少?
参考答案:解:(1)由于不计电源内阻,电压表测得的电压6V就是电源电动势
当电压表测R1两端电压时,显示的是它与R1并联后所分得的电压,即
所以RV=6kΩ
(2)当电压表测R2两端电压时,易得电压表示数为3V
本题解析:
本题难度:一般
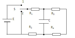
2、简答题 如图45所示电路中的各元件值为:R1=R2=10Ω,R3=R4=20Ω,C=300μF,电源电动势E=6V,内阻不计,单刀双掷开关S开始时接通触点2,试求:
(1)当开关S从触点2改接触点1,且电路稳定后,电容C所带电量。
(2)若开关S从触点1改接触点2后,直至电流为零止,通过电阻R1的电量。
参考答案:(1)1.2×10-3C(2)
本题解析:(1)接通1后,电阻R1、R2、R3、R4串联,根据闭合电路的欧姆定律有:
电容两端的电压UC=U3+U4=4V,所以电容所带电量为Q=CUC=1.2×10-3C.
(2)开关再接通2,电容器放电,外电路分别为R1、R2和R3、R4两个支路,通过两支路的电量分别为Q12=
1t和Q34=
2t;I1与I2的分配与两支路电阻成反比,通过两支路的电量Q则与电流成正比,故流经两支路的电量与两支路的电阻成反比,即:
, 
所以
。
本题难度:简单
3、计算题 (8分)一台理想变压器原、副线圈匝数比为10 ∶1,原线圈接u=100sin100πt(V)的交变电压、副线圈两端用导线接规格为“6V 12W”的小灯。已知导线总电阻r=0.5Ω,试求:副线圈应接几盏小灯?这些小灯应如何连接才能使这些小灯都正常发光?
参考答案:4盏 连接方式为并联
本题解析:由=,副线圈两端电压的有效值
U2=U1=100×V=10V?(3分)
导线上的电压U线=10V-6V=4V?(1分)
副线圈中的输出电流I2=A=8A?(1分)
每个小灯的额定电流I==A=2A?(1分)
应接小灯的盏数:n==4(盏)?(1分)
连接方式为并联。?(1分)
本题难度:一般
4、计算题 (10分)如图所示的电路中,电源电动势E="3.0" V,内阻
;电阻
,
,
,
;电容器的电容
电容器原来不带电,求接通开关S并达到稳定这一过程中流过R4的总电量.
参考答案:
本题解析:开关S闭合后,外电路的连接是
与
串联然后再与R1并联,由电阻的串并联公式,得闭合电路的总电阻为
由欧姆定律得,通过电源的电流:
,
电源的路端电压
,
电阻
两端的电压
,
通过
的总电量就是电容器的带电量:
.
(每个式子和结果2分)
考点:本题考查串并联电路的关系,电容的定义式
点评:本题学生应先由电路图判断出外电路中各个电阻的连接方式,然后再利用串并联电路的关系去求解。
本题难度:一般
5、填空题 两根同种材料的电阻丝,长度之比为1:5,横截面积之比为2:3,则它们的电阻值之比为____。将它们串联后接入电路中,则它们两端电压之比为____,电流之比为____;如果将它们并联后接入电路中,则它们两端电压之比为_____,电流之比为____。
参考答案:3:10,3:10,1:1,1:1,10:3
本题解析:
本题难度:一般