时间:2017-07-31 07:39:16
1、选择题 如图所示电路中,
、
为两块竖直放置的金属板,
是一只静电计,开关
合上时,静电计张开一个角度,下述情况中可使指针张角增大的是( )
A.合上
,使
、
两板靠近一些
B.合上
,使
、
正对面积错开一些
C.断开
,使
、
间距靠近一些
D.断开
,使
、
正对面积错开一些
参考答案:D
本题解析:开关S闭合,电容器两端的电势差保持不变,则静电计指针的张角不变,故AB错误;断开S,电容器所带的电量不变,A、B两板靠近一些减小板间距,则电容增大,根据
知,极板间的电势差减小,则指针张角减小,故C错误;断开S,电容器所带的电量不变,A、B正对面积减小一些,电容减小,根据
知,电势差增大,则静电计指针张角增大.故D正确.
考点:考查了电容器的动态分析
本题难度:一般
2、填空题 水平放置的平行金属板A和B跟电压为U的电源相接,B板接地,两板中间悬浮一个质量为m、电荷量为-q的带电油滴,如图所示,则两板间电场强度E=___,带电油滴的电势能为___,若两板间电压增大为2U,带电油滴将向上板运动,加速度大小为___。
参考答案:
,
,g
本题解析:
本题难度:一般
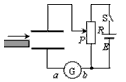
3、选择题 如图所示,平行板电容器通过一滑动变阻器R与直流电源连接,G为一零刻度在表盘中央的灵敏电流计,闭合开关S后,下列说法正确的是
[? ]
A.若只在两板间插入电介质,电容器的两板间电压将保持不变
B.若只将开关S断开,电容器带电量将保持不变
C.若只将电容器下极板向下移动一小段距离,此过程电流计中有从b到a方向的电流
D.若只将滑动变阻器滑片P向上移动,电容器储存的电能将增加
参考答案:ACD
本题解析:
本题难度:一般
4、选择题 如图所示,平行板电容器经开关S与电池连接,A板下方a处有一带电荷量非常小的点电荷.S是闭合的,φa表示a点的电势,F表示点电荷受到的电场力。现将电容器的B板向下稍微移动,使两板间的距离增大,则( ? )
A.φa不变
B.φa变小
C.F变小
D.F变大
参考答案:C
本题解析:
本题难度:一般
5、选择题 在磁感应强度为B的匀强磁场中,有一与磁场方向垂直长度为L金属杆aO,已知ab=bc=cO=L/3,a、c与磁场中以O为圆心的同心圆(都为部分圆弧)金属轨道始终接触良好.一电容为C的电容器接在轨道上,如图所示,当金属杆在与磁场垂直的平面内以O为轴,以角速度ω顺时针匀速转动时( ? )
A.Uac=2Ub0
B.Uac=2Uab
C.电容器带电量Q=4BL2ωC/9
D.若在eO间连接一个电压表,则电压表示数为零
参考答案:AC
本题解析:
本题难度:一般