时间:2017-07-31 07:31:17
1、实验题 按照有效数字规则读出下列电表的测量值。
接0-3V量程时读数为_____________V;接0-15V量程时读数为_____________V。
接0-3A量程时读数为_____________A;接0-0.6A量程时读数_____________A。
2、选择题 在电磁学发展过程中,许多科学家做出了贡献,下列说法中符合物理学发展史的是
[? ]
3、选择题 如下图所示的电路中两个灯泡均发光,当变阻器滑片向下滑动时,则: 
A.A灯变亮,B灯变暗
B.A灯和B灯都变亮
C.电源的输出功率减小
D.电源的工作效率降低
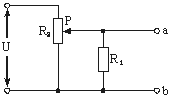
4、选择题 如图所示的电路中, U=120V, 滑动变阻器R2的最大值为 200Ω, R1=100Ω.当滑片P滑至R2的中点时,a、b两端的电压为
A.60 V
B.40 V
C.80 V
D.120 V
5、选择题 如图所示,绕在铁芯上的线圈与电源、滑动变阻器和电键组成闭合回路,在铁芯的右端套有一个表面绝缘的铜环A,下列各种情况中铜环A中有感应电流的是
[? ]
A、线圈中通以恒定的电流
B、通电时,使变阻器的滑片P作匀速移动
C、通电时,使变阻器的滑片P作加速移动
D、将电键突然断开的瞬间