时间:2017-07-31 07:23:38
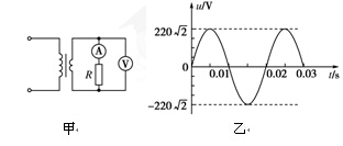
1、计算题 图甲左侧的调压装置可视为理想变压器,负载电路中R=55Ω,两电表为理想电流表和电压表,变压器原副线圈匝数比为n1:n2=2:1,若原线圈接入如图乙所示的正弦交变电压。求:
(1)交流电压的函数表达式;
(2)电流表的示数I。
参考答案:(1)
(2)I=2A
本题解析:(1)由交流电规律可知
,①
②
联立①②代入图中数据可得
,③
(2)根据理想变压器特点和欧姆定律有:
? ………………④
? ………………⑤
联解④⑤代入图乙中数据得:
I=2A? ………………⑥
本题难度:简单
2、选择题 如图所示为理想变压器的示意图,其原副线圈的匝数比为3:1,电压表和电流表均为理想电表,原线圈接图乙所示的正弦交流电,图甲中Rt为热敏电阻(其阻值随温度的升高而变小),R为定值电阻.下列说法中正确的是( )
A.交流电压u的表达式为
B.若Rt处的温度升高,则电流表的示数变小
C.变压器原、副线圈中的磁通量随时间的变化率之比为 3∶1
D.若Rt处的温度升高,则变压器的输入功率变大
参考答案:AD
本题解析:由乙图可得交流电压u的表达式为
,所以A正确;若Rt处的温度升高,Rt的阻值减小,负载的总电阻减小,副线圈电流增大,根据变流规律,原线圈电流增大,输入功率,P=U1I1增大,所以B错误;D正确;此为理想变压器,变压器原、副线圈中的磁通量随时间的变化率之比为1∶1,所以C错误;
考点:本题考查交流电、变压器
本题难度:一般
3、选择题 多选
一正弦交流电的电压随时间变化的规律如图所示。由图可知(? )

参考答案:BD
本题解析:
本题难度:一般
4、填空题 小型交流发电机中,矩形金属线圈在匀强磁场中匀速转动,产生的感应电动势与时间呈正弦函数关系,如图所示。此线圈与一个R=9Ω的电阻构成闭合电路,线圈自身的电阻r=1Ω,则该交变电流的频率为__________Hz,发电机输出的电功率为__________W。
参考答案:2.5,18
本题解析:
本题难度:一般
5、简答题 本题为选做题,考生只选一题作答.若两题都答,则按一个题计分.
(1)如图甲所示为一正弦式电流的i-t图象,由图可知:该交变电流的频率为______Hz.电流的有效值为______A.
(2)如图是一电热水壶的铭牌,由铭牌可知,该电热水壶在额定电压下工作时的电流为______A,在60s时间内将消耗______J的电能.
参考答案:(1)由图可知,该交流电的最大值为20A,周期为0.02s,所以有频率:f=1T=50Hz,有效值:I=20
本题解析:
本题难度:一般