时间:2017-07-27 13:01:04
1、简答题  如图(a)所示为某自动恒温箱的原理简图,箱内电源E的内阻不计,电阻R1=20kΩ,R2=10kΩ,Rt为热敏电阻,它的电阻随温度变化的图线如图(b)所示.
(1)当热敏电阻Rt=20kΩ时,恒温箱内的温度为______℃.
(2)如果Ua=Ub,箱内的温度保持不变.那么,当箱内的温度降低时,Ua______?Ub(填“>”、“=”或“<”),电压鉴别器就会令开关S导通,恒温箱内的电热丝发热,使箱内的温度升高.当箱内的温度升高时,Ua______?Ub(填“>”、“=”或“<”),电压鉴别器就会令开关S断开,停止加热.
(3)调节滑动变阻器的阻值,使R3=60kΩ,这时恒温箱内的温度可以恒定在______℃.
(4)若保持R3阻值不变,欲使恒温箱内的温度升高,应如何更换电阻R1或R2?请提出一种可行方案并说明理由.
2、选择题  电视显像管中有不停发射电子的电子枪,假设电子进入电压为U的加速电场,假设初速度为零,加速后形成横截面为S、电流为I的电子束,已知电子的点何量为e,质量为m,则在刚射出加速电场时一小段长为L的电子束内的电子个数为?(?)
3、选择题  如图所示,电源内阻不能忽略,安培表、伏特表都是理想电表,当滑动变阻器R的滑动头从a端滑到b端过程中(  )
A.V的示数先增大后减小,A示数增大
B.V的示数先增大后减小,A示数减小
C.V的示数先减小后增大,A示数增大
D.V的示数先减小后增大,A示数减小
4、选择题  有一种测量人体重的电子秤,其原理如图中虚线内所示,它主要由三部分构成:踏板、压力传感器R(是一个阻值可随压力大小而变化的电阻器)、显示体重的仪表G(实质是理想电流表).设踏板的质量可忽略不计,已知理想电流表的量程为3A,电源电动势为12V,内阻为2Ω,电阻R随压力变化的函数式为R=30-0.02F(F和R的单位分别是N和Ω).下列说法正确是(  )
A.该秤能测量的最大体重是1400N
B.该秤能测量的最大体重是1300N
C.该秤零刻度线(即踏板空载时的刻度线)应标在电流表G刻度盘0.400A处
D.该秤零刻度线(即踏板空载时的刻度线)应标在电流表G刻度盘0.375A处
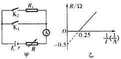
5、选择题  如图甲所示,R为电阻箱(0~99.9Ω),置于阻值最大位置,Rx为未知电阻。(1)断开K2,闭合K1,逐次减小电阻箱的阻值,得到一组R、I值,并依据R、I值作出了如图乙所示的R-1/I图线;(2)断开K2,闭合K1,当R调至某一位置时,电流表的示数I1=1.0 A;保持电阻箱的位置不变,断开K1,闭合K2,此时电流表的示数为I2=0.8 A,可知
[? ]
A.电源电动势为3.0V
B.电源内阻为0.5Ω 
C.Rx的阻值为0.5Ω 
D.K1断开、K2接通时,随着R的减小,电源输出功率减小