时间:2017-07-27 12:46:18
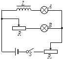
1、选择题 如图所示,闭合开关S后调节滑动变阻器R和Rt,使同样规格的两个小灯泡A和B都正常发光,然后断开开关.下列说法正确的是( )
A.再次闭合开关S时,灯泡A和B同时正常发光
B.再次闭合开关S时,灯泡B立刻正常发光,灯泡A逐渐亮起来
C.再次闭合开关S时,灯泡A立刻正常发光,灯泡B逐渐亮起来
D.闭合开关S使灯泡A、B正常发光后,再断开开关S,灯泡B立刻熄灭,灯泡A逐渐熄灭
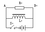
2、选择题 如图所示的电路中,L是自感系数足够大的线圈,但其自身的直流电阻几乎为零,A和B是两个相同的小灯泡。下列说法中正确的是?(?)
A.当开关S由断开变为闭合时,A灯逐渐变亮,B灯立即变亮
B.当开关S由断开变为闭合时,A灯立即变亮,B灯逐渐变亮
C.当开关S由断开变为闭合时,两灯同时亮,然后A灯熄灭,B灯更亮
D.当开关S由断开变为闭合时,两灯同时逐渐变亮
3、选择题 如图所示的电路中,L是自感系数很大的线圈,但其自身的电阻几乎为零.LA、LB是两个相同的灯泡,下列说法中正确的是( )
A.开关S由断开变为闭合,LA、LB同时发光,之后亮度不变
B.开关S由断开变为闭合,LA立即发光,之后又逐渐熄灭
C.开关S由闭合变为断开的瞬间,LA、LB同时熄灭
D.开关S由闭合变为断开的瞬间,LA再次发光,之后又逐渐熄灭
4、选择题 如图所示的电路中,L是一个自感系数很大、直流电阻不计的线圈,D1、D2和D3是三个完全相同的灯泡,E是内阻不计的电源。在t=0时刻,闭合开关s,电路稳定后在t1时刻断开开关S。规定以电路稳定时流过D1、D2的电流方向为正方向,分别用I1、I2表示流过D1和D2的电流,则下图中能定性描述电流,随时间t变化关系的是
[? ]
A.
B.
C.
D.
5、选择题 如图所示电路,开关原来接通,当开关突然断开的瞬间,电阻R中:
A.仍有电流,方向由A流向B;
B.立即没有电流;
C.仍有电流,方向由B流向A;
D.无法确定。