时间:2017-07-27 11:28:35
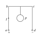
1、选择题 (2011·杭州模拟)如图所示,一根长导线弯成如图abcd的形状,在导线框中通以直流电,在框的正中间用绝缘的橡皮筋悬挂一个金属环P,环与导线框处于同一竖直平面内,当电流I增大时,下列说法中正确的是(? )
A.金属环P中产生顺时针方向的电流
B.橡皮筋的长度增大
C.橡皮筋的长度不变
D.橡皮筋的长度减小
2、选择题 一个足够长的竖直放置的磁铁结构如图所示。在图1中磁铁的两个磁极分别为同心的圆形和圆环形。在两极之间的缝隙中,存在辐射状的磁场,磁场方向水平向外,某点的磁感应强度大小与该点到磁极中心轴的距离成反比。用横截面积一定的细金属丝制成的圆形单匝线圈,从某高度被无初速释放,在磁极缝隙间下落的过程中,线圈平面始终水平且保持与磁极共轴。线圈被释放后?(?)
A.线圈中没有感应电流,线圈做自由落体运动
B.在图l俯视图中,线圈中感应电流沿逆时针方向
C.线圈有最大速度,线圈半径越大,最大速度越小
D.线圈有最大速度,线圈半径越大,最大速度越大
3、选择题 如图所示,用一根横截面积为s的硬导线做成一个半径为r的圆环,把圆环部分置于均匀变化的匀强磁场中,磁场方向垂直纸面向里,磁感应强度大小随时间的变化率
| △B △t |
| krs 4ρ |
| 1 2 |

4、选择题 如图所示,在水平面上有一固定的u形光滑金属框架,框架上放置一金属杆ab.在垂直纸面方向有一匀强磁场,下列情况中可能的是( )
A.若磁场方向垂直纸面向外,并且磁感应强度增大时,杆ab将向右移动
B.若磁场方向垂直纸面向外,并且磁感应强度减小时,杆ab将向右移动
C.若磁场方向垂直纸面向里,并且磁感应强度减小时,杆ab将向右移动
D.若磁场方向垂直纸面向里,并且磁感应强度增大时,杆ab将向右移动
5、选择题 1931年英国物理学家狄拉克从理论上预言:存在只有一个磁极的粒子--磁单极子.19年后,美国物理学家卡布莱拉设计了一个寻找磁单极子的实验.设想一个只有N极的磁单极子从上向下穿过一个水平放置的超导线圈,那么从上向下看( )
A.超导线圈中将出现先逆时针后顺时针方向的感应电流
B.超导线圈中将出现总是逆时针方向的感应电流
C.超导线圈中产生的感应电动势一定恒定不变
D.超导线圈中产生的感应电流将长期维持下去