时间:2017-07-17 07:49:35
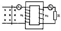
1、选择题  如图,理想变压器原、副线圈匝数比n1:n2=4:1,当导体棒向右匀速切割磁感线时,电流表A1的读数是12mA,则副线圈中电流表A2的读数应该为(  )
A.3mA
B.48mA
C.0
D.与R阻值有关
参考答案:C
本题解析:
本题难度:一般
2、选择题  如图,在磁感应强度为B、方向垂直纸面向里的匀强磁场中,金属杆MN在平行金属导轨上以速度V向右匀速滑动, MN中产生的感应电动势为El;若磁感应强度增为2B,其他条件不变,MN中产生的感应电动势变为E2。则通过电阻R的电流方向及
与
之比
分别为(? )
A.c→a,2:1? B.a→c,2:1? C.a→c,1:2? D.c→a,1:2
参考答案:C
本题解析:由右手定则判断可知,MN中产生的感应电流方向为
,则通过电阻R的电流方向为
,由导体棒切割磁感线产生的感应电动势的表达式
可知若磁感应强度增为2B,其他条件不变,MN中产生的感应电动势变为原来的2倍,故选C。
本题难度:简单
3、计算题  如图所示,光滑斜面的倾角α=30°,在斜面上放置一矩形线框abcd,ab边的边长l1=1m,bc边的边长l2=0.6m,线框的质量m=1kg,电阻R=0.1Ω,线框受到沿光滑斜面向上的恒力F的作用,已知F=10N。斜面上ef线(ef∥gh)的右方有垂直斜面向上的均匀磁场,磁感应强度B随时间t的变化情况如B-t图象,时间t是从线框由静止开始运动时刻起计的。如果线框从静止开始运动,进入磁场最初一段时间是匀速的,ef线和gh的距离s=5.1m,求:
(1)线框进入磁场时匀速运动的速度v;
(2)ab边由静止开始到运动到gh线处所用的时间t;
(3)线框由静止开始到运动到gh线的整个过程中产生的焦耳热。 
参考答案:解:(1)因为线框进入磁场的最初一段时间做匀速运动,所以线框abcd受力平衡F=mgsinα+FA
ab边进入磁场切割磁感线,产生的电动势E=Bl1v 
形成的感应电流
受到的安培力
F=mgsinα+
代入数据解得v=2m/s
 (2)线框abcd进入磁场前时,做匀加速直线运动;进磁场的过程中,做匀速直线运动;进入磁场后到运动到gh线,仍 做匀加速直线运动
线框进入磁场前,线框仅受到细线的拉力F、斜面的支持力和线框重力,由牛顿第二定律得:F-mgsinα=ma 
线框进入磁场前的加速度
=5m/s2
进入磁场前线框的运动时间为
进入磁场过程中匀速运动时间
线框完全进入磁场后线框受力情况同进入磁场前,所以该阶段的加速度仍为a=5m/s2
解得:t3=1s 
因此ab边由静止开始运动到gh线所用的时间为t=t1+t2+t3=1.7s 
(3)

整个运动过程产生的焦耳热Q=FAl2+Q1=(F-mgsinθ)l2+Q1=1.58J
本题解析:
本题难度:困难
4、计算题  (10分)如图所示,质量为m的单匝正方形线圈,其边长为L,在距底边2L的匀强磁场
上方由静止开始自由下落,设线圈下落过程中线框平面始终位于纸面内且底边保持水平,当线框的底边刚进入磁场区域时,恰能在匀强磁场中做匀速运动。若磁场的磁感应强度为B,求:(1)线圈的电阻多大?
(2)线圈进入磁场的过程中单
位时间内有多少机械能转化为电能?
参考答案:(10分)(1)
,mg=BIL,
…………3分
上式联立得:
,………………2分
(2)P=mgv,所以
?…………
5分
本题解析:略
本题难度:一般
5、计算题  如图所示,足够长的U形导体框架的宽度l =" 0.5" m,电阻忽略不计,其所在平面与水平面成
角,磁感应强度B =" 0.8" T的匀强磁场方向垂直于导体框平面,一根质量m =" 0.2" kg,有效电阻R = 2Ω的导体棒MN垂直跨放在U形框架上,导体棒与框架间的动摩擦因数
=0.5,导体棒由静止开始沿框架下滑到刚开始匀速运动,通过导体棒截面的电量共为Q =" 2" C。求:
(1)导体棒匀速运动的速度; 
(2)导体棒从开始下滑到刚开始匀速运动这一过程中,导体棒的电阻产生的焦耳热。
(sin 37°= 0.6,cos 37°= 0.8,g = 10m/s2)
参考答案:(1)设导体棒匀速的速度为v
? 2分
,
,
? 2分
由以上各式得:v=
="5" m/s? 1分
(2)通过导体的电量
?
?
设物体下滑的距离为s,则
?
由以上各式得:
,s=
="10" m? 2分
全程由动能定理得:
? 2分
?
得:
? 1分
本题解析:(1)设导体棒匀速的速度为v
? 2分
,
,
? 2分
由以上各式得:v=
="5" m/s? 1分
(2)通过导体的电量
?
?
设物体下滑的距离为s,则
?
由以上各式得:
,s=
="10" m? 2分
全程由动能定理得:
? 2分
?
得:
? 1分
本题难度:一般