时间:2017-07-17 07:24:55
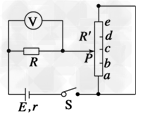
1、选择题 如图所示,电源电动势为E,内阻为r,定值电阻为R,滑动变阻器为R"。由于滑动变阻器d、e之间的某一位置发生了断路,当滑动变阻器的滑片P分别置于a、b、c、d、e( a、b、c、d、e间距相等,a、e为滑动变阻器的两个端点)位置时,电压表的读数如下表所示,则下表中的值为
? 
[? ]
A.0.21?
B.0.42?
C.0.56?
D.0.14
参考答案:B
本题解析:
本题难度:一般
2、选择题 在如图所示的电路中,E为电源电动势,r为电源内阻,R1和R3均为定值电阻,R2为滑动变阻器。当R2的滑动触点在a端时合上开关S,此时三个电表A1、A2和V的示数分别为I1、I2和U。现将R2的滑动触点向b端移动,则三个电表示数的变化情况是

[? ]
参考答案:B
本题解析:
本题难度:一般
3、选择题 2007年诺贝尔物理学奖授予了两位发现“巨磁电阻”效应的物理学家,某探究小组查到某磁敏电阻在室温下的电阻随磁感应强度变化曲线如图所示,其中R、Ro分别表示有、无磁场时磁敏电阻的阻值。为研究其磁敏特性设计了图乙所示电路.关于这个图探究实验,下列说法中正确的是
A.闭合开关S,图乙中只增加磁感应强度的大小时,电压表的示数增大
B.闭合开关S,图乙中只改变磁场方向,电压表的示数减小
C.闭合开关S,图乙中只增加磁感应强度的大小时,流过ap段的电流可能减小
D.闭合开关S,图乙中只增加磁感应强度的大小时,电源的输出功率可能增大
参考答案:AD
本题解析:
试题分析:由图可以看出,磁敏电阻的阻值只与磁感应强度的大小有关.随着磁感应强度变大,电阻变大;闭合开关S,图乙中只增加磁感应强度的大小时,磁敏电阻的阻值变大,电路电流减小,Pb两端电压减少,由E=U+Ir,可知路端电压增大,所以晓以电压表的示数增大,故A正确;由甲图可知,磁敏电阻的阻值的磁感应强度的方向无关,只改变磁场方向原来方向相反时,伏特表示数不变,故B错误;闭合开关S,图乙中只增加磁感应强度的大小时,由选项A分析可知,电压表读数增大,也就是aP段的两端电压增加,而电阻没变,故通过ap的电流一定增大,故C错误;闭合开关S,如果原来的外电阻小于内电阻,图乙中只增加磁感应强度的大小时,磁敏电阻的阻值变大,可能使得外电路电阻等于电源的内阻,此时电源的输出功率最大,故电源输出功率可能增大,故D正确.
本题难度:一般
4、选择题 如图所示是常用在电子手表和小型仪表中的锌汞电池,它的电动势约为1.2V,这表示 ( )
A.电路通过1C的电荷量,电源把1.2J其他形式能转化为电能
B.电源在每秒内把1.2J其他形式能转化为电能
C.该电源比电动势为1.5V的干电池做功少
D.该电源与电动势为1.5V的干电池相比,通过1C电荷量时转化为电能少
参考答案:AD
本题解析:根据电动势的定义
可知选项A正确B错误;由
可知
,所以电源做的功与电动势和通过的电量有关,故选项C错误;该电源与干电池串联后,通过的电量相同,由
可知选项D错误.
本题难度:简单
5、选择题 如图所示,平行金属板中带电质点P原处于静止状态,不考虑电流表和电压表对电路的影响,当滑动变阻器R4的滑片向b端移动时,则( )
A.电压表读数减小
B.电流表读数减小
C.质点P将向上运动
D.R3上消耗的功率逐渐增大
参考答案:由图可知,R2与滑动变阻器R4串联后与R3并联后,再由R1串连接在电源两端;电容器与R3并联;
当滑片向b移动时,滑动变阻器接入电阻减小,则电路中总电阻减小;由闭合电路欧姆定律可知,电路中电流增大;路端电压减小,同时R1两端的电压也增大;故并联部分的电压减小;由欧姆定律可知流过R3的电流减小,则流过并联部分的电流增大,故电流表示数增大;故B错误;
因并联部分电压减小,而R2中电压增大,故电压表示数减小,故A正确;
因电容器两端电压减小,故电荷受到的向上电场力减小,则重力大于电场力,电荷向下运动,故C错误;
因R3两端的电压减小,由P=U2R可知,R3上消耗的功率减小; 故D错误;
故选A.
本题解析:
本题难度:一般