时间:2017-07-17 07:09:52
1、选择题 不定项选择
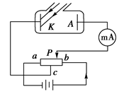
2009年诺贝尔物理学奖得主威拉德·博伊尔和乔治·史密斯主要成就是发明了电荷耦合器件(CCD)图像传感器。他们的发明利用了爱因斯坦的光电效应原理。如图所示电路可研究光电效应规律。图中标有A和K的为光电管,其中A为阴极,K为阳极。理想电流计可检测通过光电管的电流,理想电压表用来指示光电管两端的电压。现接通电源,用光子能量为10.5eV的光照射阴极A,电流计中有示数,若将滑动变阻器的滑片P缓慢向右滑动,电流计的读数逐渐减小,当滑至某一位置时电流计的读数恰好为零,读出此时电压表的示数为6.0V;现保持滑片P位置不变,以下判断正确的是( ? )

2、选择题 如图1所示,四个示意图所表示的实验中,能说明光具有粒子性的是?(?)
3、选择题 下列利用光子说对光电效应的解释正确的是
[? ]
A.金属表面的一个电子只能吸收一个光子
B.吸收光子后一定能从金属表面逸出,成为光电子
C.金属表面的一个电子吸收若干个光子,积累了足够的能量才能从金属表面逸出
D.无论光子能量大小如何,电子吸收光子并累积能量后,总能逸出成为光电子
4、选择题 两束不同的单色光A和B,分别沿半径方向射入半圆形玻璃砖中后,都从圆心O沿OP射出,如图所示,则(?)
A.在玻璃中B光的光速较大
B.B光光子能量较大
C.若B光照在某金属板M上不能产生光电效应,则A光照在同一金属板M上也一定不能产生光电效应
D.对同一双缝干涉仪,分别用A光和B光作为光源做实验时,A光在屏上呈现的干涉条纹窄些
5、选择题 如图所示是光电管的原理图,已知当有波长为λ0的光照到阴极K时,电路中有光电流,则( ? )
A.若换用波长为λ1(λ1>λ0)的光照射阴极K 时,电路一定没有光电流
B.若换用波长为λ2(λ2<λ0) 的光照射阴极K时,电路中光电流一定增大
C.若将变阻器滑动头P从图示位置向右滑一些,仍用波长λ0的光照射,则电路中光电流一定增大
D.若将变阻器滑动头P从图示位置向左滑过中心O点时,其他条件不变,则电路中仍可能有光电流