时间:2017-07-10 22:01:50
1、填空题 现有下列器材:
电压表V1(量程3V,内阻约几千欧)
电压表V2(量程6V,内阻约几十千欧)
定值电阻R1(3.0k
)滑动变阻器R(0-5000
)
直流电源(约6V,内阻不计)开关及导线若干
某同学利用上述器材测量电压表V1的内阻值。
【小题1】请在右上图的方框中画出该实验的电路图。
【小题2】用已知量和直接测得的量表示电压表V1的内阻,内阻的表达式为r= ;式中各直接测得的量的意义是 。
参考答案:
【小题1】见答图所示
【小题2】
;U1为电压表V1的示数
本题解析:【小题1】因为没有电流表所以借助定值电阻和电压表来求电流,所以仪器选V1, V2,定值电阻R1,直流电源(约6V,内阻不计)开关及导线若干
电路如图
【小题2】根据欧姆定律:
=
本题难度:一般
2、实验题 (1)某同学选择多用电表的“×10”挡测量一电阻的阻值。正确操作后得到如图所示的指针情况。则电阻的阻值约为_____Ω.
(2)为了精确测量该电阻的阻值,该同学从实验室找来了下列器材:
电流表A1(0~40mA、内阻r1=10Ω)
电流表A2(0~100mA、内阻r2≈5Ω)
滑动变阻器R(0~10Ω)
定值电阻R0(阻值为100Ω)
电源E(电动势6V、有内阻)
开关、导线若干
①实验中要求调节范围尽可能大,在方框内画出符合要求的电路图.
②用I1、I2分别表示电流表A1、A2的示数,该同学通过描点得到了如图所示的I1-I2图像,则电阻的阻值为______Ω
参考答案:(1)120 ;(2)见图;110
本题解析:
试题分析:1)欧姆表的示数为:12×10=120Ω
(2)①没有电压表,因为A1电表内阻知道,将A1与定值电阻R0串联当作电压表用,小电阻用电流表外接法,滑动变阻器阻值小用分压式接法。
②由电路图得:取图象上作任一点数值,可求出待测电阻的阻值
考点:伏安法测电阻
本题难度:一般
3、实验题 读出下列测量仪器的读数。
(1)游标卡尺 mm (2)螺旋测微器 cm


(3)如上图所示,是某次使用多用表的实验中,多用电表表盘指针所示的位置,请你读数:
①如果使用的是直流2.5V的电压挡,则读数为 V;
②如果使用的是×100Ω的电阻挡,则读数为 Ω;
③如果使用的是直流10mA的电流挡,则读数为 mA。
参考答案:(1)129.8 mm
(2)1.0294-- 1.0296 cm
(3)①0.81--0.84 ② 3000 ③3.3或3.2
本题解析:略
本题难度:一般
4、实验题 在“测定电池的电动势和内阻”实验中,某同学的实验电路连接如图1所示。
(1)在方框中画出与图1对应的电路图。
(2)在图2的
坐标系中标出了该同学所测的实验数据,请作出这些数据点的拟合直线,并读得该直线的截距为
,求得其斜率为
。
(3)求得电源的电动势是 V,内阻是 Ω(结果保留两位有效数字)。
参考答案:(1)电路如图;(2)0.9A-1; 0.67V-1(3)1.5V;1.4Ω
本题解析:(1)电路如图;
(2)图像如图;该直线的截距为0.9
,求得其斜率为
=0.67V-1。
(3)由欧姆定律:
,解得:
,即
,
解得:E="1.5V" r=1.4Ω

考点:测定电源的电动势及内阻。
本题难度:一般
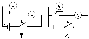
5、实验题 某同学在老师讲完电化学知识以后,自己在家做了一个水果电池,该同学查阅相关资料后得知,水果电池与一般干电池的电动势、内阻较为接近,为了测定该电池的电动势和内阻,该同学利用闭合电路欧姆定律U=E-Ir,设计了一个测量该电池的实验。实验原理如下图中的甲、乙所示,应该选择 ,通过调节滑动变阻器得到多组U、I数据,依据U、I数据绘得的图象如图,则电动势为 V,内阻为 Ω

参考答案:乙;1.6V;1.2
本题解析:因为水果电池与一般干电池的电动势、内阻较为接近,故应该采用乙电路测量电动势和内阻。由U-I图线读出电动势为1.6V,内阻为
。
考点:测量电源的电动势及内阻.
本题难度:一般