时间:2017-07-10 21:47:46
1、选择题 各图是电子技术中的常用电路,其中,乙图中的电容器的电容C较小,丙图中的电容器的电容C较大.a、b是部分电路的输入端,其中输入的高频成分用“~~”表示,低频成分用“~”表示,直流成分用“-”表示.关于负载电阻R中得到的电流特征,下列说法中正确的是( )
A.图甲中R得到的是交流成分
B.图乙中R得到的主要是高频成分
C.图乙中R得到的主要是低频成分
D.图丙中R得到的主要是直流成分
2、选择题 如图所示,三只白炽灯L1L2L3分别和电感、电阻、电容器串联后并联接在同一个交变电源上,当交变电源的电压为U,频率为50Hz时,三只灯泡的亮度相同,那么当交变电源的电压不变,而频率增大后,三只灯泡的亮度变化将是(?)
A.L1变暗,L2不变,L3变亮
B.L1变亮,L2不变,L3变亮
C.L1变暗,L2变亮,L3变亮
D.L1变亮,L2变亮,L3变暗
3、选择题 如图所示的电路中,L是自感系数足够大的线圈,它的电阻可忽略不计,D1和D2是两个完全相同的小灯泡.则下列说法中正确的是( )
A.K闭合瞬间,两灯同时亮,以后D1熄灭,D2变亮
B.K闭合瞬间,D1先亮,D2后亮,最后两灯亮度一样
C.K断开时,两灯都亮一下再慢慢熄灭
D.K断开时,D2立即熄灭,D1亮一下再慢慢熄灭
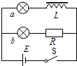
4、选择题 在研究自感现象的实验中,用两个完全相同的灯泡a、b分别与自感系数很大的自感线圈L和定值电阻R组成如图所示的电路(自感线圈的直流电阻与定值电阻R的阻值相等),闭合开关S达到稳定后两灯均可以正常发光.关于这个实验下面的说法中正确的是( )
A.闭合开关的瞬间,b灯立即变亮,a灯逐渐变亮
B.闭合开关的瞬间,通过a灯和b灯的电流相等
C.闭合开关,待电路稳定后断开开关,a、b两灯逐渐变暗,最终同时熄灭
D.闭合开关,待电路稳定后断开开关,b灯逐渐变暗,a灯闪亮一下然后逐渐变暗
5、选择题 如图所示,三只完全相同的灯泡a、b、c分别与电阻R、电感L、电容C串联,再将三者并联,接在220V,50Hz的交变电源两端,三只灯泡亮度相同。如果将电源改为220V,60Hz的交变电源,则(?)
A.三只灯泡亮度不变
B.a亮度不变,b变暗,c变亮
C.三只灯泡都将变亮
D.a亮度不变,b变亮,c变暗