时间:2017-07-10 21:32:14
1、选择题 如图所示,有一个弹性的轻质金属圆环,放在光滑的水平桌面上,环中央插着一根条形磁铁.突然将条形磁铁迅速向上拔出,则此时金属圆环将
A.圆环高度不变,但圆环缩小
B.圆环高度不变,但圆环扩张
C.圆环向上跳起,同时圆环缩小
D.圆环向上跳起,同时圆环扩张
2、选择题 如图所示,一个金属圆环水平放置在竖直向上的匀强磁场中,能使圆环中产生感应电流的做法是( )
A.使匀强磁场均匀减少
B.保持圆环水平并在磁场中上下移动
C.保持圆环水平并在磁场中左右移动
D.保持圆环水平并使圆环绕过圆心的竖直轴转动
3、选择题 将硬导线中间一段折成不封闭的正方形每边长为L,它在磁感应强度为B、方向向里的匀强磁场中匀速转动,转速为n.导线在a、b两处通过电刷与外电路连接,外电路有额定功率P的小灯泡能正常发光.电路中其余部分电阻不计.则灯泡电阻以及如图位置开始转动90°过程通过灯泡电流方向为(? ) 
A.2(πL2nB)2/P,电流由右到左
B.(2πL2nB)2/P,电流由左到右?
C.(L2nB)2/P,电流由右到左?
D.(L2nB)2/2P,电流由左到右?
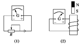
4、填空题 在图(1)中,G为指针在中央的灵敏电流表连接在直流电路中时的偏转情况.现把它与一个线圈串联进行电磁感应实验,则图(2)中的条形磁铁正在________(填“向上拔出”或“向下插入”)线圈中.
5、选择题 一水平放置的圆形通电线圈1通有如图所示的电流.另一个较小的圆形线圈2从线圈1的正上方下落,在下落过程中两线圈的平面始终共轴且水平,则线圈2从通电线圈1的正上方下落到正下方的过程中,从上往下看,线圈2中的感应电流的方向为( )
A.始终为顺时针方向
B.始终为逆时针方向
C.先顺时针方向,后逆时针方向
D.先逆时针方向,后顺时针方向