时间:2017-07-10 21:05:18
1、简答题 下列是一些有关高中物理实验的描述,其中正确的是______
A.在“验证力的平行四边形定则”实验中,同一次实验过程中,结点O位置允许变动.
B.在“研究平抛物体的运动”的实验中,安装斜槽时末端可以不水平.
C.在“验证机械能守恒定律”的实验中,需要用天平测物体(或重锤)的质量.
D.在“研究碰撞中的动量守恒”实验中,确定小球落点的方法是:用尽可能小的圆把所有的小球落点圈在里面(舍出个别较远的点),圆心就是小球落点的平均位置.
E.在“用单摆测定重力加速度”的实验中,测得的g值比当地的标准值偏小,可能原因是悬点未固定紧,振动中出现松动.
2、选择题 以下对平抛运动的一些认识中,正确的是( )
A.在同一位置水平抛出的物体,初速越大者着地前在空中运动的时间越长
B.以同一初速抛出的物体,抛出点越高者着地速度越大
C.在任意两个连续相等时间内,竖直方向位移之差恒相等
D.在任意两个相等的时间内,速度的变化量恒相等
3、选择题 两物体做平抛运动的初速度之比为2∶1,若它们的水平射程相等,则它们抛出点离地面高度之比为(?)
A.1∶2
B.1∶
C.1∶4
D.4∶1
4、简答题 如图所示,一个固定在竖直平面内的轨道,有倾角为θ=37°的斜面AB和水平面BC以及另一个倾角仍为θ=37°的斜面DE三部分组成.已知水平面BC长为0.4m,D位置在C点的正下方,CD高为H=0.9m,E点与C点等高,P为斜面DE的中点;小球与接触面间的动摩擦因数均为μ=0.15,重力加速度g取10m/s2.现将此小球离BC水平面400h高处的斜面上静止释放,小球刚好能落到P点(sin37°=0.6,cos37°=0.8).
(1)求h的大小;
(2)若改变小球在斜面上静止释放的位置问小球能否垂直打到斜面DE上的Q点(CQ⊥DE).若能,请求出h的大小;若不能,请说明理由?
5、选择题 不定项选择
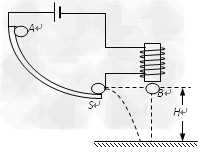
如图所示,在研究平抛运动时,小球A沿轨道滑下,离开轨道末端(末端水平)时撞开接触开关S ,被电磁铁吸住的小球B同时自由下落,改变整个装置的高度H做同样的实验,发现位于同一高度的A、B两个小球总是同时落地,该实验现象说明了A球在离开轨道后( ? )
A.水平方向的分运动是匀速直线运动
B.水平方向的分运动是匀加速直线运动
C.竖直方向的分运动是自由落体运动
D.竖直方向的分运动是匀速直线运动