时间:2017-05-12 08:45:08
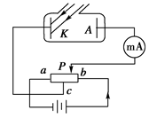
选择题 如图所示是光电管的原理图,已知当有波长为λ0的光照到阴极K时,电路中有光电流,则( ? )
A.若换用波长为λ1(λ1>λ0)的光照射阴极K 时,电路一定没有光电流
B.若换用波长为λ2(λ2<λ0) 的光照射阴极K时,电路中光电流一定增大
C.若将变阻器滑动头P从图示位置向右滑一些,仍用波长 λ0的光照射,则电路中光电流一定增大
D.若将变阻器滑动头P从图示位置向左滑过中心O点时,其他条件不变,则电路中仍可能有光电流
答案及详细解析请点下一页查看。