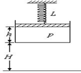
如图,气缸悬挂在弹簧下,缸内密闭了一定质量的理想气体,活塞与【力学】(一)

时间:2017-03-06 15:05:05

微信搜索关注"91考试网"公众号,领30元,获取事业编教师公务员等考试资料40G

选择题  如图,气缸悬挂在弹簧下,缸内密闭了一定质量的理想气体,活塞与缸壁间的摩擦不计,若缸内气体的温度升高到某一数值, 下列物理量发生变化的是(气缸足够深)

A.活塞的高度h
B.缸体的高度H
C来源:91考试网 91EXAm.org.气体的压强p
D.弹簧的长度L



答案及详细解析请点下一页查看。


首页 上页 1 2 下页 尾页 1/2/2
微信搜索关注"91考试网"公众号,领30元,获取公务员事业编教师考试资料40G
【省市县地区导航】【考试题库导航】
 ★ 高考省级导航 ★ 
全国 A安徽 B北京 C重庆 F福建 G广东 广西 甘肃 贵州 H河南 河北 湖南 湖北 黑龙江 海南 J江苏 江西 吉林 L辽宁 N内蒙古 宁夏 Q青海 S山东 山西 陕西 四川 上海 T天津 X新疆 西藏 Y云南 Z浙江
 ★ 高考信息汇总 ★ 
 ★ 高考历年真题 ★ 
 ★ 高考历年真题 ★ 
 ★ 高考题库 ★ 
 ★ 高考题库 ★ 

电脑版  |  手机版  |  返回顶部