-->

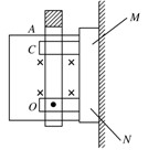
1、计算题  据新华社2010年12月14日报道。美国海军近日在弗吉尼亚州境内,成功试射了该国最新研制的电磁炮,其发射速度达5倍音速,射程则远达200公里。“电磁炮”是利用电磁力对弹体加速的新型武器,具有速度快,效率高等优点。如图是“电磁炮”的原理结构示意 ">

高考物理高频考点《通电导线在磁场中受到的力》高频试题巩固(2017年最新版)

时间:2017-03-05 17:46:25

微信搜索关注"91考试网"公众号,领30元,获取事业编教师公务员等考试资料40G

1、计算题  据新华社2010年12月14日报道。美国海军近日在弗吉尼亚州境内,成功试射了该国最新研制的电磁炮,其发射速度达5倍音速,射程则远达200公里。“电磁炮”是利用电磁力对弹体加速的新型武器,具有速度快,效率高等优点。如图是“电磁炮”的原理结构示意图。光滑水平加速导轨MNs=5m,宽L=1m,电阻不计。在导轨间有竖直向上的匀强磁场,磁感应强度B=25T。“电磁炮”总质量m=0.1kg,其中加速导体棒ab的电阻R =\" 0.\" 4Ω。可控电源的内阻r=0.6Ω,电源的电压能自行调节,以保证“电磁炮”匀加速发射。在某次试验发射时,电源为导体棒ab提供的电流是400A。求:这次试验中“电磁炮”发射的速度。600)makesmallpic(this,600,1800);\' src=\"http://www_php168_com/91files/2016060413/isrh3xp4elo.jpg\" style=\"vertical-align:middle;\">


参考答案:1000m/s


本题解析:略


本题难度:简单



2、选择题  如图中磁感应强度B、电流I和安培力F之间的方向关系错误的是(  )
A.600)makesmallpic(this,600,1800);\' alt=\"\" src=\"http://www_php168_com/91files/2016060413/ajgcik55du3.png\">
B.600)makesmallpic(this,600,1800);\' alt=\"\" src=\"http://www_php168_com/91files/2016060413/njp4jys2q1v.png\">
C.600)makesmallpic(this,600,1800);\' alt=\"\" src=\"http://www_php168_com/91files/2016060413/d3rwb4kswoc.png\">
D.600)makesmallpic(this,600,1800);\' alt=\"\" src=\"http://www_php168_com/91files/2016060413/u3m0o1elvvg.png\">


参考答案:A、根据左手定则知,电流所受的安培力方向竖直向上.故A正确.
B、根据左手定则知,电流所受的安培力方向水平向右.故B正确.
C、根据左手定则知,电流所受的安培力方向垂直电流方向斜向上.故C正确.
D、根据左手定则知,电流所受的安培力方向水平向左.故D错误.
本题选错误的,故选:D.


本题解析:


本题难度:简单



3、计算题  (8分)如图所示,套在绝缘棒上的小球,质量为1g,带有q=4×10-3C的正电荷,小球在棒上可以自由滑动,直棒放在互相垂直且沿水平方向的匀强电场E=10N/C和匀强磁场B=5T之中,小球和直棒之间的动摩擦因数为μ=0.2,求小球由静止沿棒竖直下落的最大加速度和最大速度。(设小球在运动过程中电量不变,重力加速度g=10m/s2)。
600)makesmallpic(this,600,1800);\' src=\"http://www_php168_com/91files/2016060315/refijnmmm1q.png\" style=\"vertical-align:middle;\">


参考答案:4.5m/s


本题解析:当摩擦力为零时,小球仅受重力作用,加速度最大,600)makesmallpic(this,600,1800);\' src=\"http://www_php168_com/91files/2016060315/ypdiewmwt5a.png\" style=\"vertical-align:middle;\">
当合外力为零时,小球速度达到最大。600)makesmallpic(this,600,1800);\' src=\"http://www_php168_com/91files/2016060315/dpj1gx5l2sg.png\" style=\"vertical-align:middle;\"> 解得:600)makesmallpic(this,600,1800);\' src=\"http://www_php168_com/91files/2016060315/14mgeyciafb.png\" style=\"vertical-align:middle;\">
代入数值可得 600)makesmallpic(this,600,1800);\' src=\"http://www_php168_com/91files/2016060315/m53q3ohr2ew.png\" style=\"vertical-align:middle;\">
考点:带电粒子在复合场中的运动.


本题难度:一般



4、简答题  如图所示,水平放置的长直导体框架宽L=0.5m,框架上接一电阻R=1.5Ω,处在竖直向下的匀强磁场中,磁感强度B=0.5T,导体AB可无摩擦沿框架滑动,AB电阻r=0.5Ω,当以速度V=8.0m/s向右运动时。
600)makesmallpic(this,600,1800);\' src=\"http://www_php168_com/91files/2016060413/ue4difqz1yz.gif\" style=\"vertical-align:middle;\">
求:(1)电阻R的功率P
(2)维持导体AB匀速运动的外力大小F


参考答案:(1)P=I2R(2)0.25N


本题解析:(1)导体棒切割磁感线,感应电动势E=BLV
回路中的电流I=600)makesmallpic(this,600,1800);\' src=\"http://www_php168_com/91files/2016060413/f0yms2e3osf.gif\" style=\"vertical-align:middle;\">
电阻R的功率P=I2R
整理代入数值得P=1.5W
(2)外力应与安培力平衡
F=F安=BIL=0.5600)makesmallpic(this,600,1800);\' src=\"http://www_php168_com/91files/2016060413/mcrkeajq413.gif\" style=\"vertical-align:middle;\">1600)makesmallpic(this,600,1800);\' src=\"http://www_php168_com/91files/2016060413/mcrkeajq413.gif\" style=\"vertical-align:middle;\">0.5=0.25N


本题难度:一般



5、选择题  如图所示,匀强磁场的方向竖直向下.磁场中有光滑的水平桌面,在桌面上平放着内壁光滑、底部有带电小球的试管.试管在水平拉力F作用下向右匀速运动,带电小球能从管口处飞出.关于带电小球及其在离开试管前的运动,下列说法中正确的是(  )
A.小球带负电
B.洛伦兹力对小球做正功
C.小球运动的轨迹是一条抛物线
D.维持试管匀速运动的拉力F应增大
600)makesmallpic(this,600,1800);\' alt=\"91考试网\" src=\"http://www_php168_com/91files/2016060413/wnu3exg5mey.png\">


参考答案:A、小球能从管口处飞出,说明小球受到指向管口洛伦兹力,根据左手定则判断,小球带正电.故A错误.
B、洛伦兹力总是与速度垂直,不做功.故B错误.
C、设管子运动速度为v1,小球垂直于管子向右的分运动是匀速直线运动.小球沿管子方向受到洛伦兹力的分力F1=qv1B,q、v1、B均不变,F1不变,则小球沿管子做匀加速直线运动.与平抛运动类似,小球运动的轨迹是一条抛物线.故C正确.
D、设小球沿管子的分速度大小为v2,则小球受到垂直管子向左的洛伦兹力的分力F2=qv2B,v2增大,则F2增大,而拉力F=F2,则F逐渐增大.故D正确.
故选CD.


本题解析:


本题难度:一般



He is the best general who makes the fewest mistakes. 错误犯得最少的将军就是最好的将军.

微信搜索关注"91考试网"公众号,领30元,获取公务员事业编教师考试资料40G
【省市县地区导航】【考试题库导航】
 ★ 高考省级导航 ★ 
全国 A安徽 B北京 C重庆 F福建 G广东 广西 甘肃 贵州 H河南 河北 湖南 湖北 黑龙江 海南 J江苏 江西 吉林 L辽宁 N内蒙古 宁夏 Q青海 S山东 山西 陕西 四川 上海 T天津 X新疆 西藏 Y云南 Z浙江
 ★ 高考信息汇总 ★ 
 ★ 高考历年真题 ★ 
 ★ 高考历年真题 ★ 
 ★ 高考题库 ★ 
 ★ 高考题库 ★ 

电脑版  |  手机版  |  返回顶部