时间:2017-03-05 17:27:30
1、选择题 下列说法正确的是:(?)
A.元电荷指的就是质子或电子
B.物体所带的电荷量一定是元电荷的整数倍
C.电场强度的方向总跟电场力方向一致,电场线上某一点的切线方向即为该点的场强方向
D.沿着电场线方向,任意相同距离上的电势降落必定相等。
2、选择题 在真空中的A点固定一个带电量大小为Q的正点电荷,有一个质量为m的带电油滴恰好是在A点正下方距离为r的B点处保持静止,油滴带电量大小q,则(?)
A.油滴一定带正电
B.油滴一定带负电
C.B点处的电场强度大小等于mg/q
D.B点处的电场强度大小等于KQ/r2
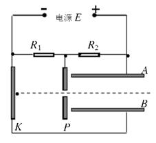
3、计算题 (15分)如图所示,极板A、B、K、P连入电路,极板P、K,A、B之间分别形成电场,已知电源电动势E=300V,电源内阻不计 ,电阻R1="2000KΩ," R2=1000KΩ,A、B两极板长
,间距
。一个静止的带电粒子,电荷量
、质量
,从极板K中心经 P、K间电场加速后,进入极板A、B间电场中发生偏转。(极板间电场可视为匀强电场且不考虑极板边缘效应,不计粒子重力)求:
⑴极板P、K之间电压UPK,A、B之间电压UAB
⑵粒子刚进入偏转极板A、B时速度v0
⑶粒子通过极板A、B时发生偏转距离y
4、选择题 三个分别带有正电、负电和不带电的质量相同的颗粒,从水平放置的平行带电金属板左侧以相同速度V0垂直电场线方向射入匀强电场,分别落在带正电荷的下板上的a、b、c三点,如图所示,下面判断正确的是
[? ]
A.落在a点的颗粒带正电,b点的不带电,c点的带负电
B.落在a、b、c点颗粒在电场中的加速度的关系是aa>ab>ac
C.三个颗粒在电场中运动的时间关系是ta>tb>tc
D.电场力对落在c点的颗粒做负功
5、计算题 (10分)如图15所示,一根长L="2" m的绝缘细管AB被置于匀强电场E中,其A.B两端正好处于电场的左右边界上,倾角α=37°,电场强度E=103 V/m,方向竖直向下,管内有一个带负电的小球,质量m=10-4 kg,电荷量q=2×10-6 C,从A点由静止开始运动,已知小球与管壁的动摩擦因数为0.5,求:
(1)小球运动过程中所受的摩擦力的大小;
(2)则小球从B点射出时的速度。(取g="10" m/s2;sin37°=0.6,cos37°=0.8)