时间:2017-03-05 17:27:10
1、选择题 如图所示的电路中,三个相同的灯泡a、b、c和电感L1、L2与直流电源连接,电感的电阻忽略不计.电键K从闭合状态突然断开时,下列判断正确的有( )
A.a先变亮,然后逐渐变暗
B.b先变亮,然后逐渐变暗
C.c先变亮,然后逐渐变暗
D.b、c都逐渐变暗
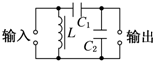
2、选择题 某电路的输入电流既有直流成分,又有交流高、低频成分,若通过如图装置,只把交流低频成分输送到下一级,那么关于该电路中各元件的作用,说法正确的是( )
A.L起到消除交流成分的作用
B.C1是隔直电容器
C.C2起到消除高频成分的作用
D.以上说法都不对
3、选择题 如图所示电路中,灯LA、LB完全相同,带铁芯的线圈L的电阻可忽略,则:
A. S闭合瞬间,LA、LB同时发光,接着LA熄灭,LB更亮
B. S闭合瞬间,LA不亮,LB立即亮
C. S闭合瞬间,LA、LB都不立即亮
D.稳定后再断开S的瞬间,LB不能立即熄灭
4、选择题 如图所示,电路中完全相同的三只灯泡a、b、c分别与电阻R、电感L、电容C串联,然后再并联到200V、50Hz的交流电路上,三只灯泡亮度恰好相同。若保持交变电压不变,将交变电流的频率增大到60Hz,则三灯的亮度变化是(?)
A.三灯亮度不变
B.三灯均变亮
C.a不变、b变亮、c变暗
D.a不变、b变暗、c变亮
5、选择题 如图所示,把电阻R、电感线圈L、电容器C并联接到某一正弦交流电源时,三只电流表的示数相同,若保持电源电压不变,而使交变电压的频率逐渐减小,则三个电流表的示数I1、I2、I3的变化情况是( )
A.I1、I2、I3都不变
B.I1、I2、I3都减小
C.I1不变、I2减小、I3增大
D.I1不变、I2增大、I3减小