时间:2017-03-05 17:18:33
1、填空题 加在某段导体两段的电压变成原来的
| 1 3 | 
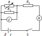
2、选择题  如图电路,闭合电键S,电源电动势为E,内阻为r,待电路中的电流稳定后,减小变阻器R的阻值.则下列说法中正确的是(  )
A.电流表的示数减小
B.电压表的示数减小
C.电阻R2两端的电压减小
D.路端电压增大
3、选择题  电源的电动势和内阻都保持一定,在外电路的电阻逐渐变小的过程中,下列说法错误的是(    )
A.路端电压一定逐渐变小
B.电源的输出功率一定逐渐变小
C.电源内部消耗的电功率一定逐渐变大
D.电源的输出电流一定变小
4、选择题  如图所示,闭合S1,断开S2,调整滑动触头P使灯泡L正常发光,此时,滑动变阻器的PB部分的电阻大于电源内阻r。如果再闭合S2,则 

[? ]
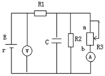
5、选择题  在图中所示的电路中,当滑动变阻器的滑动触片向b端移动时
[? ]
A.伏特表V的读数减小,电容C的电荷量在减小 
B.安培表A的读数增大,电容C的电荷量在增大 
C.伏特表V的读数增大,安培表A的读数减小 
D.伏特表V的读数减小,安培表A的读数增大