时间:2017-03-05 17:08:18
1、选择题 一家用电热毯的调温原理是用电子线路将输入的正弦交变电压的波形截去一部分来实现的.若经电子线路调整后通过电热毯的电压波形如图所示,已知电热毛的电阻为R,则通过电热毯的电流为( )
A.
| Um 4R |
| Um 2R |
4R |
2R |

参考答案:设交流电的有效值为U,将交流电与直流电分别通过相同电阻R,分析一个周期内热量:
? 交流电:Q1=(Um
本题解析:
本题难度:一般
2、选择题 我国使用的正弦交变电流的频率为50Hz,则它的 ( ? ?)
A.周期为0.02s,电流方向每秒改变50次?
B.周期是0.02s,电流方向每秒改变100次?
C.周期是0.01s,电流方向每秒改变50次?
D.周期是0.01s,电流方向每秒改变100次
参考答案:B
本题解析:
本题难度:简单
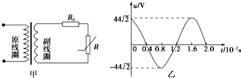
3、选择题 图甲为一火灾报警系统.其中R0为定值电阻,R为热敏电阻,其阻值随温度的升高而减小.理想变压器原、副线圈匝数比为5:1,副线圈输出电压如图乙所示,则下列说法正确的是( )
A.原线圈输入电压有效值为220
| 2 |
| 2 |
参考答案:A、由b图可知副线圈电压最大值Um=44
本题解析:
本题难度:简单
4、选择题 某小型发电机产生的交变电动势为e=50
| 2 |
参考答案:由表达式知电动势最大值为50
本题解析:
本题难度:一般
5、选择题 如图所示,正弦波和方波交变电流的最大值相等,周期也相等,现把它们通入完全相同的电阻,则在相同的一段时间内,则两交变电流的有效值之比以及两电阻发热之比Q甲:Q乙等于( )
A、
,1/1
B、
,1/2
C、
,
? D、1/2,

参考答案:B
本题解析:
本题难度:简单