时间:2017-03-05 17:00:03
1、选择题 一个物体在水平地面上由静止开始在水平力F的作用下前进了距离s,然后撤去F,物体又前进了距离2s停下来,那么,物体在运动中受到的摩擦力的大小为
?[? ]
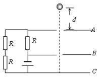
2、计算题 (18分)如图所示,A、B、C为三块水平放置的金属板,板的厚度不计,间距均为d。A、B板中央有小孔,电路中三个电阻的阻值均为R,电源内阻也为R。现有一质量为m的带正电液滴在距A板小孔正上方为d的P处由静止开始下落,不计空气阻力,当它达到C板时速度恰为零。求:
(1)液滴通过B板中央小孔时的速度大小;
(2)液滴从P处到达B板的运动过程中其电势能变化了多少?
3、计算题 如图,质量
的物体静止于水平地面的A处,A、B间距L=20m。用大小为30N,
沿水平方向的外力拉此物体,经
拉至B处。(已知
,
。取
)
(1)求物体与地面间的动摩擦因数μ;
(2)用大小为30N,与水平方向成37°的力斜向上拉此物体,使物体从A处由静止开始
运动并能到达B处,求该力作用的最短的距离。
4、填空题 将一质量为0.2kg的小球在空中静止释放,其离地高度与时间的关系H=3.2-3t2,式中H以m为单位,t以s为单位.则小球0.4s末离地高度为______?m,克服空气阻力所做的功为______?J.(g取10m/s2)
5、选择题 如图所示,倾角为θ的固定斜面上有一质量为m的滑块,滑块与斜面间的动摩擦因数μ=tanθ,滑块在平行于斜面的恒力F=mgsinθ作用下,以一定初速度沿斜面向上运动,取出发点为位移零点和零势能点,以开始运动的时刻为零时刻,下列能正确描述滑块运动到最高点过程中滑块动能Ek、势能Ep、机械能Es随时间t、位移s变化规律的图线是
