时间:2017-03-05 16:38:51
1、选择题 如图,是某种正弦式交变电压的波形图,由图可确定该电压的( ? )
A.周期是0.01 s
B.最大值是311 V
C.有效值是220 V
D.表达式为u=220sin 100πt(V)
2、选择题 在下列几种电流的波形图中,不是交变电流的是( )
A B C D
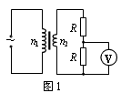
3、选择题 图1中的变压器为理想变压器,原线圈的匝数n1与副线圈的匝数n2之比为10 : 1。变压器的原线圈接如图2所示的正弦式电流,两个20Ω的定值电阻串联接在副线圈两端。电压表V为理想电表。则
? 
[? ]
A.原线圈上电压的有效值为100V
B.原线圈上电压的有效值约为70.7V
C.电压表V的读数为5.0V
D.电压表V的读数约为3.5V
4、简答题 一个矩形线圈在一匀强磁场中绕垂直于磁场方向的中心轴匀速转动,产生的交变电动势表达式为e=311sin314t(V),试求:
(1)电动势的最大值、有效值和频率;
(2)若矩形线圈是100匝,线圈平面面积为0.02m2,匀强磁场的磁感应强度B是多少?
(3)当线圈平面从中性面开始转过
| 3π 4 |
5、简答题 电机转子是边长为0.2米的正方形,线圈匝数为100匝,内阻8欧,初始位置如图所示,以ad、bc中点连线为轴用600转/分的转速在
| 1 π |
| π 2 |
| π 3 |
