时间:2017-03-05 16:28:40
1、选择题  如图所示,用细线悬挂的铝圆环和磁铁在同一竖直平面内,当圆环通入方向如图所示的电流时,圆环将
A.左边向里,右边向外,转动同时向磁铁靠近
B.左边向外,右边向里,转动同时向磁铁靠近
C.左边向里,右边向外,转动同时与磁铁远离
D.圆环不会转动,但向磁铁靠近
2、选择题  如图所示,三个线框是用同一种材料制成的边长相同的正方形线框.a线框不闭合,b和c都闭合,b线框的导线比c粗.将它们在竖直面内从相同高度由静止开始释放,图中水平虚线下方是方向垂直于线框所在面的匀强磁场.下列关于三个线框的说法中不正确的是(  )
A.a线框最先落地
B.b线框产生的热量较多
C.b线框比c线框后落地
D.b、c线框同时落地
3、选择题  某磁场的磁感线如图如示,有铜线圈自图示A处落到B处,在下落过程中,自上向下看,线圈中感应电流的方向是(  )
A.始终顺时针
B.始终逆时针
C.先顺时针再逆时针
D.先逆时针再顺时针
4、选择题  螺线管右端的管口正对着一个闭合线圈M(如图),线圈平面与螺线管中轴线垂直,以下哪些情况能使M向右侧摆动(  )
A.闭合开关S瞬间
B.S原来闭合,断开的瞬间
C.闭合S稳定后滑动变阻器R的触片P右移时
D.闭合S稳定后滑动变阻器R的触片P左移时
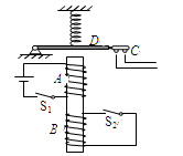
5、填空题  如图所示是一种延时继电器的示意图,铁芯上有两个线圈A和B。当S1闭合时,电磁铁将吸引衔铁D,使触头C接通电路工作。  
(1)如果闭合S2,当S1断开时,由于电磁感应作用,要延迟一段时间,弹簧才将衔铁D拉起使触头C断开电路,这种延迟是由于线圈    (填“A”或“B”)的作用。
(2)如果断开S2,当S1断开时,则    (填“仍有”或“无”)延时作用。