时间:2017-03-05 16:26:01
1、填空题 (18分)(1)如图所示,在匀强磁场中,与磁感应强度B成30°角放置一矩形线圈,共100匝,线圈长lab=10cm、宽lbc=8cm,线圈电阻r=1.0Ω,与它相连的电路中,电阻R1=4.0Ω,R2=5.0Ω,磁感应强度变化如图乙所示,开关闭合后t=1.5s时R2中电流的大小为_______A,此时左侧边ab所受的安培力大小_______N。
(2)一个质量为
=0.001kg、带电量为
=
C的带正电小球和一个质量也为
不带电的小球相距
=0.2m,放在绝缘光滑水平面上,当加上如图的
=
N/C的水平向左的匀强电场和
=0.5T的水平向外的匀强磁场后,带电小球开始运动,与不带电小球相碰后粘在一起,则两球碰后的速度为________m/s,两球碰后到两球离开水平面,还要前进_________m。
(3)在“用单摆测定重力加速度”的实验中,测得单摆摆角小于10°时,完成n次全振动时间为t,用毫米刻度尺测得摆线长为
,用螺旋测微器测得摆球直径为d.
①测得重力加速度的表达式为g=_________.
②实验时某同学测得的g值偏大,其原因可能是_________.
A.实验室的海拔太高
B.摆球太重
C.测出n次全振动时间为t,误作为(n+1)次全振动时间进行计算
D.用摆线长与摆球直径之和作为摆长来计算
③用的摆球密度不均匀,无法确定重心位置.他第一次量得悬线长为
(不计半径),测得周期为T1;第二次量得悬线长为
,测得周期为T2.根据上述数据,g表达式为___________
2、选择题 一个水平固定的金属大圆环A,通有恒定的电流,方向如图所示,现有一小金属环B自A环上方落下并穿过A环,B环在下落过程中保持水平,并与A环共轴,那么在B环下落过程中?
[? ]
A.B环中感应电流方向始终与A环中电流方向相反
B.B环中感应电流方向与A环中电流方向先相反后相同
C.经过A环所在平面的瞬间,B环中感应电流最大
D.经过A环所在平面的瞬间,B环中感应电流为零
3、计算题 高频焊接是一种常用的焊接方法,下图是焊接的原理示意图。将半径为r=10cm的待焊接的环形金属工件放在线圈中,然后在线圈中通以高频变化电流,线圈产生垂直于工件所在平面的匀强磁场,磁感应强度B随时间t的变化规律如图(a)所示,t=0时刻磁场方向垂直线圈所在平面向外。工件非焊接部分单位长度上的电阻R0=1.0×10-3 Ω×m-1,焊缝处的接触电阻为工件非焊接部分电阻的9倍,焊接的缝宽非常小,不计温度变化对电阻的影响。
(1)求环形金属工件中感应电流的大小,在图(b)中画出感应电流随时间变化的i-t图象(以逆时针方向电流为正);
(2)求环形金属工件中感应电流的有效值;
(3)求t=0.30s内电流通过焊接处所产生的焦耳热。
? 
4、选择题 一单匝闭合线圈在匀强磁场中绕垂直于磁场方向的转轴匀速转动,在转动过程中,通过线圈的最大磁通量为Φm,线圈中的最大感应电动势为Em,下列说法中正确的是
[? ]
A.当磁通量为零时,感应电动势也为零
B.当磁通量减小时,感应电动势将减小
C.当磁通量等于0.5Φm时,感应电动势等于0.5Em
D.线圈转动的角速度等于Em/Φm
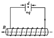
5、选择题 如图所示,两块竖直放置的金属板间距为d,用导线与一匝数为n的线圈连接.线圈内部分布有方向水平向左的匀强磁场.两板间有一个一定质量、电荷量为+q的油滴在与水平方向成30°角斜向右上方的恒力F的作用下恰好处于平衡状态.则线圈内磁场的变化情况和磁通量的变化率分别是( )
A.磁场正在增强,
=
B.磁场正在减弱,
=
C.磁场正在减弱,
=
D.磁场正在增强,
=